仪表放大器设计和制作

发表于:2017-7-6 08:54:25 2682
电子电路
技术类别: 电路设计
关键字: 仪表放大器、OA27P、运放

登录后可查看大图

您需要 登录 才可以下载或查看,没有账号?立即注册

x
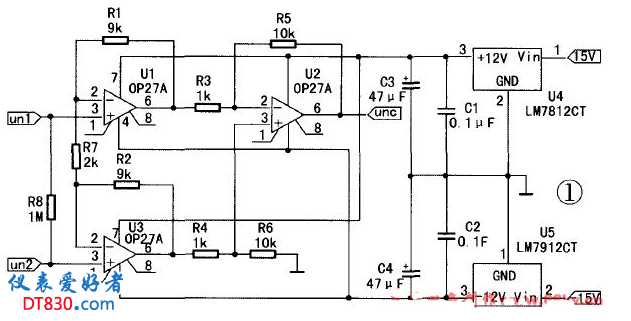
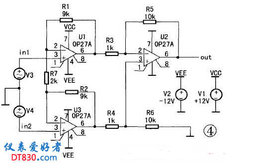
本仪表放大器是由三个OA27P集成运算放大器组成,OA27P的特点是低噪声、高速、低输入失调电压和卓越的共模抑制比。仪表放大器电路连接成比例运算电路形式,其中前两个运放组成第一级,二者都接成同相输入形式,因此具有很高的输入电阻。由于电路的结构对称,它们的漂移和失调都有互相抵消的作用。后一个运放组成差分放大器,将差分输入转换为单端输出。经计算,本设计中仪表放大器的电压放大倍数Au=R5/R3(1+2R1/R2)=100,结果将在仿真中验证。
仪表放大器的结构特点:使仪表放大器成为一种高输入电阻,高共模抑制比,具有较低的失调电压,失调电流、噪声及飘移的放大器。在使用时,在图1中R4、R5、R6、R7四个电阻要精密且匹
配,否则将给放大倍数带来误差,而且将降低电路的共模抑制比。
一、仪表放大器电路图
本设计采用Prote199se电路仿真软件,绘制电原理图后可自动生成印制线路板图.还可进行电路仿真。绘制电原理图时特别要注意选择各种元件的封装形式.这也是后序能否成功自动布线的关
键之一。本设计中各元件的封装形式如下:电阻(AXIAL0.3)、电解电容(RB.2/.4)、瓷介电容(RAD0.1)、集成电路(DIP-8)、三端稳压块(TO-220)。
仪表放大器的电路图如图1。图中R8是原理图电气检查时附加的,实际制作时不用安装。
1.png
二、电原理图绘制与印制板图设计
1、进入Prote199se SCH界面,绘制电原理图; 经电气检查(Tool—ERC), 无误后即可生成网络表(Design—Great Netlist)。
2、进入Prote199se PCB界面,绘制印制板图。先确定外围尺寸:长50mm、宽25mm。且要求外框接地又不能封闭如图2。接着载入网络表(Design—Load Nets),把所有的元件合理地布到印制板
图上。进行自动布线参数的设置(Options—Rules)。最基本的有三点:线宽、线距和层数。本设计采用单面板。参数设置完毕。即可执行自动布线命令(Auto Routs—All)。设计结果:图2为
印制板图(比例:1:1),图3为元件分布图(比例2:1)。
2.png 3.png
三仪表放大器电路原理仿真
1、仿真步骤如下:
(1)添加仿真库
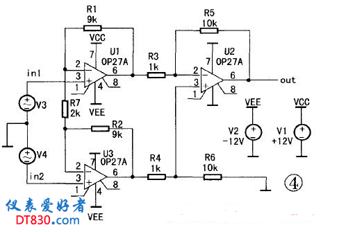
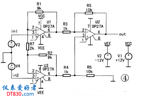
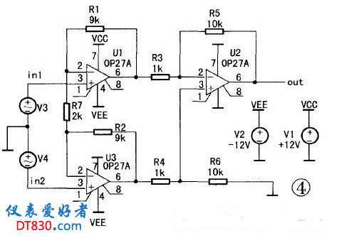
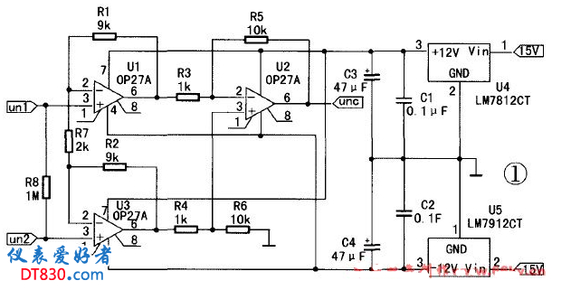
(2)从仿真元件库中选取、放置所需的元件.连接好原理图.加上激励源,设置好参数.如图4。
4.png
注意:
①R8、C1、C2、C3、C4、U4、U5可不接;
② 把VCC设置成+15V.VEE设置成-15V;
③VCC、VEE 电源要单独画。
(3) 执 行Simulate—Setup命令,加入需要分析的信号input1、input2以及output,再执行Simulate—Run命令.即可看到所设置的仿真波形 图。例如图5、图6、图7。
5.png
2、仿真结果分析
(1)输出电压Voul=100(Vin1+Vin2);
(2)当输入信号频率约为50kHz时.输出信号开始失真;
(3)本仪表放大器的低频响应很好,当输入信号频率为1Hz时,输出信号仍不失真。

收藏
送赞
分享

发表回复

评论列表(3)

roromiao 数字斗士C 2017-8-19 16:30:22
...不明白什么是仪表放大器. 干什么用的..
2017-8-19 16:30:22 回复
wgsd 数字大神J 2017-12-12 14:34:00
roromiao 发表于 2017-8-19 16:30
...不明白什么是仪表放大器. 干什么用的..

楼主已经说的很明白。
仪表放大器较其它放大器有更低的失调电压、更低的温度漂移、更低的底噪指标...
2017-12-12 14:34:00 回复
喜欢就好 数字巨人H 2020-10-2 22:24:48
看着不错,学习了,谢谢分享
2020-10-2 22:24:48 回复