mf10万用表

发表于:2020-5-21 17:51:46 5737
万用表
主题类别: 维修
仪表品牌: 其它品牌
显示方式: 指针
型号或关键字: MF10

登录后可查看大图

您需要 登录 才可以下载或查看,没有账号?立即注册

x
今天人家给我一个上海第四电表厂 生产的星牌万用表mf10,买了电池后装上各个档位没反应,请问如何维修。 微信图片_20200521175049.jpg 微信图片_20200521175045.jpg 微信图片_20200521175003.jpg 微信图片_20200521175053.jpg 微信图片_20200521175057.jpg 微信图片_20200521175101.jpg
收藏
送赞
分享

发表回复

评论列表(19)

HD123 数字精灵G 2020-5-21 18:00:24
首先检查表头通不通
2020-5-21 18:00:24 回复
闻雨听风 数字王者I 2020-5-21 18:08:06
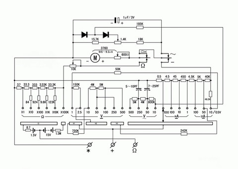
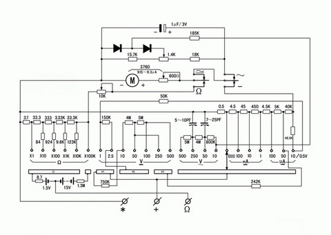
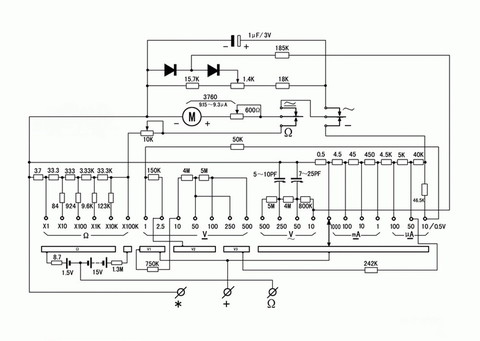
mf10万用表电路图.jpg
2020-5-21 18:08:06 回复
wgh1027 数字大神J 2020-5-21 19:31:51
多半是表头动圈坏了。

有时候用高压充激一下又可以用一段时间。
2020-5-21 19:31:51 回复
不羁的风yb 数字精灵G 2020-5-22 00:03:24
wgh1027 发表于 2020-5-21 19:31
多半是表头动圈坏了。

有时候用高压充激一下又可以用一段时间。

具体怎样操作,我在地摊买了个MF10,结果表头不通
2020-5-22 00:03:24 回复
月台故事 数字大师F 2020-5-22 06:14:38
修好应该很准
2020-5-22 06:14:38 回复
勇闯沙滩 数字大神J 2020-5-22 06:37:30
不羁的风yb 发表于 2020-5-22 00:03
具体怎样操作,我在地摊买了个MF10,结果表头不通

就是死马当作活马医,用高压把动圈焊接上,不容易接上。
2020-5-22 06:37:30 回复
kyhwhb 数字大神J 2020-5-22 06:54:01
动圈漆包线径很细0.02mm左右,年久易霉断等
2020-5-22 06:54:01 回复
表述 数字精灵G 2020-5-22 07:51:22
只要表正常,其它都不是问题。
2020-5-22 07:51:22 回复
5448 数字大师F 2020-5-22 07:54:35
10微安电流档看看表头有没有反应,没有的话,基本上就是废了。自己绕10微安的表头动圈基本上不可能完成...不过,可以去看看能不能买到动圈
2020-5-22 07:54:35 回复
散淡021 数字大神J 2020-5-22 16:27:13
用电蚊拍电几下,看看运气。

矿坛应该有人有表头线圈或表头。
不是特别爱好,不如款玩具表,太大了
R100K电路板会漏电的。 
2020-5-22 16:27:13 回复
kele122 楼主     数字斗士C 2020-5-23 16:18:45
散淡021 发表于 2020-5-22 16:27
用电蚊拍电几下,看看运气。

矿坛应该有人有表头线圈或表头。

自己也是想看看能不能修好,谢谢了
2020-5-23 16:18:45 回复
chixian 数字探长D 2020-5-25 08:50:20
4月,我在地摊收到一块MF10,外观尚可,看指针灵活,内部洁净,我以为捡到宝贝了,**元拿下。
不料回家装电池,指针不动,最后确诊为表头线圈断。
此表早有耳闻,表头线圈是0.02线圈绕制,因为线径细,匝数多,时间久了,极易霉断。修复几率几乎为零。不免大为失望,沮丧之情溢于言表。
束之高阁一段时间,一看到他,心里就憋闷。终于有一日,挂在咸鱼,**元包邮,便宜处理了吧。眼不见心不烦。
时有闲友来问,各种刁钻,各种唐僧。
某日,又游荡在二手市场,忽见一摊前,一个塑料袋内装一摊破碎的万用表,仔细看真是MF10,表头完整,外壳破零不堪。塑料袋外写“卖表头**元”。问摊主,摊主说表的外壳摔碎了,表头是好的,看表头,和我的一模一样。心中大喜,遂**元买下。
回家迫不及待,换上表头,好用。测量参数,几乎是刀刀压线。心中甚为激动。感叹,这就是缘分啊。
2020-5-25 08:50:20 回复
kele122 楼主     数字斗士C 2020-5-27 08:21:03
chixian 发表于 2020-5-25 08:50
4月,我在地摊收到一块MF10,外观尚可,看指针灵活,内部洁净,我以为捡到宝贝了,**元拿下。
不料回家装电 ...

有才有才。
2020-5-27 08:21:03 回复
kyhwhb 数字大神J 2020-5-27 08:51:38
chixian 发表于 2020-5-25 08:50
4月,我在地摊收到一块MF10,外观尚可,看指针灵活,内部洁净,我以为捡到宝贝了,**元拿下。
不料回家装电 ...

上图,展示一下
2020-5-27 08:51:38 回复
喜欢就好 数字巨人H 2020-10-28 11:22:15
值得修修,不错的老表。
2020-10-28 11:22:15 回复
wgh1027 数字大神J 2021-11-9 21:45:26
指针表王
2021-11-9 21:45:26 回复
kele122 楼主     数字斗士C 2022-4-1 09:43:59

谢谢,我回去试试
2022-4-1 09:43:59 回复
zhangwj98 数字精灵G 2022-4-1 19:05:35
10微安的表头,值得维修。
2022-4-1 19:05:35 回复
atz123 数字王者I 2022-4-1 19:23:23
chixian 发表于 2020-5-25 08:50
4月,我在地摊收到一块MF10,外观尚可,看指针灵活,内部洁净,我以为捡到宝贝了,**元拿下。
不料回家装电 ...

恭喜恭喜!缘份啊
2022-4-1 19:23:23 回复