hp3478维修记

发表于:2017-9-26 18:14:04 4065
万用表
主题类别: 维修
仪表品牌: 惠普(HP)
显示方式: 五位半
型号或关键字: hp3478

登录后可查看大图

您需要 登录 才可以下载或查看,没有账号?立即注册

x
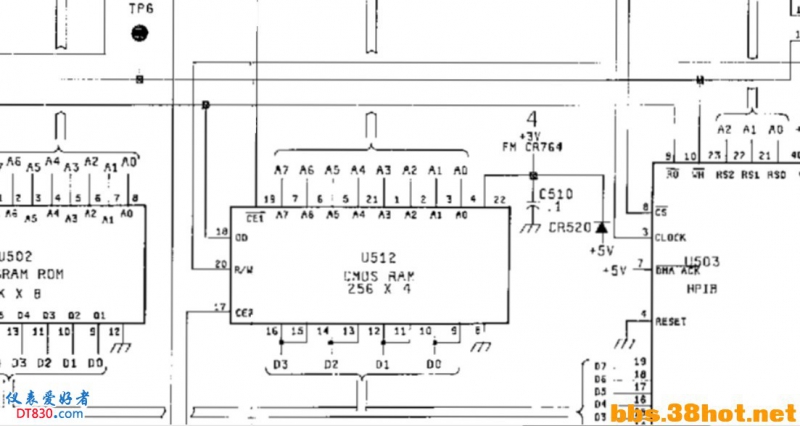
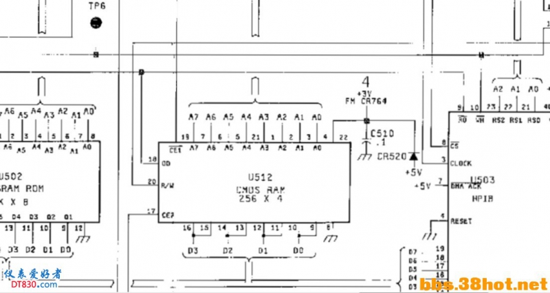
朋友的一台3478修好很久了,直流部分和电阻测量修好就校准好了,因为一直想入手一台交流源,所以就一直没有发还朋友,想等交流源给交流部分一并校准,偏偏最近半年出交流源的很少,所以这台hp3478就在我这里搁置了很久,现在只有就这个样子发还了,麻烦朋友就近找朋友校准一下,下面说说维修过程,此机朋友寄来的时候记忆电池为零v,且不能正常测量,不能换挡。          开始维修,1  换新的松下记忆电池上去,测电压为2.6v,不对,应该为3.4v左右,查图纸,检测记忆电池电路,检测cr764,Q701,直至u512的22脚,电路简单,电压被拉低很多,怀疑c510漏电,挑开c510一端,再量电压,恢复正常,至此,记忆电池电路恢复正常;2   由于不能切换挡位,怀疑红色的继电器没有正常吸合,用线逐个对接几个继电器触点两端,当短接到k103时,液晶显示归零了,故障继电器找到了,由于没有此继电器配件,告知朋友,朋友找了武汉一朋友,我打了10元快递费,武汉朋友发了一coto8830继电器过来,换上试机,切换挡位正常了:3   校准直流电压,直流电流,电阻开机一整天,还不错,状态


总结:电容漏电注意,这种电容很多,有可能测量不稳定,短稳不好都有可能是小电容绝缘电阻下降漏电,coto继电器腿很细,容易从封装里面断掉




2345截图20170924160117.jpg 2345截图20170924160205.jpg 2345截图20170924160234.jpg 2345截图20170924160303.jpg
1aaa.jpg



以下程序自动插入未在内容中添加的图片或附件
1aaa.jpg
收藏
送赞
分享

点评

不错,继电器能用上发挥了作用 
2018-12-5 14:26

发表回复

评论列表(4)

一起去喝酒 数字斗士C 2017-9-27 12:38:55
思路清晰,叙述清楚,高手。
2017-9-27 12:38:55 回复
勇闯沙滩 数字大神J 2017-11-26 19:08:33
不是一般人能修的,必须懂得原理,难--------------。
2017-11-26 19:08:33 回复
DYQ07 数字探长D 2019-12-6 12:32:35
高手!学习了。
2019-12-6 12:32:35 回复