4位电压表头

发表于:2020-3-26 16:25:04 3508
仪器仪表 - 其它仪表
主题类别: 制作_改装
仪表类型: 表头相关
仪表品牌: 其它品牌
型号或关键字: 四位半电压表头

登录后可查看大图

您需要 登录 才可以下载或查看,没有账号?立即注册

x
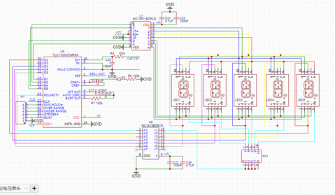
4位电压表头,做来用于测试我的电压基准源的,准不准不知道,起码可以测试电压源的短稳特性!加入了几个跳线由于切换小数点位置!使用了两款基准芯片!


开源项目链接:https://oshwhub.com/HuangYouSheng-17773307869/4wei-dian-ya-biao-tou
以下程序自动插入未在内容中添加的图片或附件

原理图

原理图
无标题.png
收藏
送赞
分享

点评

看样子十分不错 
2025-8-9 23:12

评分

参与人数 1仪表币 +10 收起 理由
练习两坤半 + 10

查看全部评分总评分 : 仪表币 +10

发表回复

评论列表(17)

fslichong 数字王者I 2020-3-27 06:21:42
这表头自己的温飘是不是低于基准的温飘,如果他真它的温飘比基准还大那就没什么意义了
2020-3-27 06:21:42 回复
wgsd 数字大神J 2020-3-27 08:13:17
fslichong 发表于 2020-3-27 06:21
这表头自己的温飘是不是低于基准的温飘,如果他真它的温飘比基准还大那就没什么意义了 ...

取决于表的基准了
2020-3-27 08:13:17 回复
yejunan 数字探长D 2022-10-8 19:21:59
看不懂,只能看看
2022-10-8 19:21:59 回复
atz123 数字王者I 2022-10-8 19:26:00
看不懂,只能看看+1
2022-10-8 19:26:00 回复
hymyfzgs 数字大师F 2022-11-28 12:52:14
谢谢分享
2022-11-28 12:52:14 回复
tpy 数字探长D 2022-11-28 15:31:47
开源项目,谢谢分享.
2022-11-28 15:31:47 回复
yejunan 数字探长D 2022-11-29 18:34:24

谢谢分享!
2022-11-29 18:34:24 回复
佳维 数字精灵G 2023-4-1 16:54:42
感谢分享
2023-4-1 16:54:42 回复
atz123 数字王者I 2023-4-1 19:30:03
谢谢分享
2023-4-1 19:30:03 回复
乐在其中110 数字精灵G 2023-4-2 23:42:56
看不懂,,,,,,,,,
2023-4-2 23:42:56 回复
wgh1027 数字大神J 2023-5-5 21:57:57
也看不懂
2023-5-5 21:57:57 回复
zhangwj98 数字精灵G 2023-5-5 22:05:37
谢谢分享。
2023-5-5 22:05:37 回复
wgh1027 数字大神J 2023-5-6 23:24:49
数码管表头
2023-5-6 23:24:49 回复
hymyfzgs 数字大师F 2023-5-19 08:56:17
谢谢分享
2023-5-19 08:56:17 回复
老李爱维修 数字梦想家E 2023-6-1 21:21:24
曾经学过一下做这个的,可以现在都忘完了
2023-6-1 21:21:24 回复
练习两坤半 数字梦想家E 2025-12-30 16:05:32
请问大师,您在咱们的微信群吗?
2025-12-30 16:05:32 回复