200元成本做六位半之心得分享

发表于:2020-9-1 21:09:04 6715
万用表
主题类别: 知识_经验
仪表品牌: DIY自制
显示方式: 六位半
型号或关键字: EH-ME010

登录后可查看大图

您需要 登录 才可以下载或查看,没有账号?立即注册

x

一、前言
200元成本做六位半,好像是一种不可思议的事情。但是随着24位ADC的价格不断下降,实现六位半分辨率已经变得非常平民化了。只要放弃长期稳定性的要求,200元完全可以做出一台完整的六位半电压、电流表。
在开始实施前,先解释一下六位半的概念。六位半指的是分辨率达到100万以上,一般都是作为高档表出现的,与之相匹配的就是较高的绝对精度,主要就是长稳特性。但要实现长稳,必须采用LM399以上的电压基准,金属箔电阻等昂贵且不易购买的器件,所以低成本必须放弃长稳。
放弃了绝对精度后,高分辨率还有没有意义呢?我觉得是有的。比如有时候需要测试一个uV级或者uA级的小信号,比较两个信号的大小,或者观察一个信号短时间的变化情况等等,这些只要高分辨率就可以了,不需要太高的绝对精度。所以就有了决心去做这样一个产品。
由于本人水平和精力有限,文章肯定会存在疏漏、不全面甚至错误,本人不对由此文章的内容引起的直接的、间接的损害承担责任,不提供任何技术指导。


二、设计目标
1、设计一个六位半分辨率的台式电压电流表
2、全部采用容易购买的全新器件,BOM成本控制在200元以内
3、出色的短稳性能,噪声低于百万分之一,整体温漂5ppm/℃(典型值)
4、希望年漂移控制在300ppm以下(是德34461A的基础档年漂移为30ppm)
5、电压档可以测试24V分辨到10uV,测量3.3V电压分辨到1uV
6、电流档可以测试300mA分辨到100nA,30mA分辨到10nA
7、配备有通讯接口,可以连接上位机显示波形、采集并导出数据
8、有外壳、面贴等可以作为一个完整的产品
收藏
送赞
分享

发表回复

评论列表(15)

ehengio 楼主     数字奇才B 2020-9-1 21:10:04

三、关键器件选型
1、ADC选型
ADC准备选用24bit∑-∆型ADC,候选有TI的ADS1232、ADI的AD7192主要技术指标如下:
  
型号
  
峰峰值分辨率@10Hz
采样速率(次/秒)
积分非线性
  
(典型值)
信号输入电流
增益漂移
  
(典型值)
价格
  
@10片
ADS1232
21.4bit
10~80
2ppm
3~6nA典型值
2.5ppm/℃
12.94元
AD7192
21.5bit
5~4800
2ppm
2~3nA最大值
1ppm/℃
28.51元

一开始选择的是ADS1232,主要原因是价格比较低,看着性能也不差。
实际测试发现信号输入电流,对电压通道影响非常大。因为电压通道的分压电阻是MΩ级别的,信号输入电流会产生比较大的影响,非线性和噪声超标。
ADS1232给的是差分输入电流的典型值而AD7192给的绝对输入电流的最大值,没法直接对比。通过实测AD7192比ADS1232好一个数量级以上。所以最终就选择了AD7192。
选择了AD7192,其他性能也更好,特别是他有更高的采样速率,拓宽了产品的应用场合,也算是值这个价钱了。


2、基准选型
AD7192要求基准电压小于5V,LM399、LTZ1000这种长稳型的电压基准都是输出7V的,还要配长稳的分压电阻,这一套下来就要200元以上了,所以只能排除在外了。剩下的就是TI的REF5045,ADI的ADR4540、ADR423。主要技术指标如下:
  
型号
  
温漂
  
(典型值)
温漂
  
(最大值)
长期漂移
噪声
基准电压
价格
  
@10片
REF5040
3ppm/℃
8ppm/℃
45ppm@第二个1000小时
3 μVPP/V
4.096V
11.4元
ADR4540
无指标
8ppm/℃
25ppm@第一个1000小时
2.7 μVpp
4.096V
46.2元
ADR423
3ppm/℃
10ppm/℃
50ppm@第一个1000小时
2 μVpp
3V
26.03元


基准的取舍最难了,ADR4540性能最好,一般认为第一个1000小时的漂移是第二个1000小时的3倍,那么REF5040差不多是135ppm@第一个1000小时。这样看在长稳特性上,ADR4540比REF5040要好5倍以上。
但是ADR4540价格非常高,而且不容易购买,所以这次就选择了REF5040。好在REF5040和ADR4540完全兼容,用户可以根据需要进行选配。
补充一点:系统的长期稳定性,取决于多个方面,如采样电阻、放大器的放大倍数、ADC等都会有影响。由于这些器件的长期稳定性没有那么高,所以更换ADR4540后系统的长期稳定性相比于REF5040提高不了5倍。


3、采样电阻选型

采样电阻分两种:一种是电流采样电阻、另一种是电压分压电阻。能方便买到的主要有2种选择:EE系列金属膜电阻器、RJ711系列金属箔电阻。主要技术指标如下:
  
型号
  
温漂
长期漂移
最大阻值
最大功率
价格
  
@10片
EE系列
5ppm/℃
无指标(估计在200ppm/年左右)
1.5MΩ
1W
约5元
RJ711
5ppm/℃
50ppm/年
800kΩ
1W(定制)
约35元

RJ711有长期稳定性指标,但是没有大阻值,所以不适合用于电压通道的分压电阻。大阻值的长稳分压电阻只能买到“1776-c6815网络分压电阻”,但是价格要150元,而且不易采购,只能放弃了。
考虑到我们的长稳目标是300ppm/年,所以我们电压通道的分压电阻和电流通道的采样电阻,都选用了EE系列金属膜电阻。它的长稳参数也和上面选的REF5040的基准相互配套,不浪费。
顺便说一下,经过实测EE系列的精密电阻的长期稳定性要稍要好于REF5040,所以更换基准能够稍微提升一下系统的长期稳定性。



4、其他器件的选型
理论上说上面三个器件选择好了,就能做出六位半分辨率的电压电流表了。其他器件可以按自己熟悉的选择性价比合适的。
根据本人的喜好,MCU选择了瑞萨的R7F0C902,感觉抗干扰能力比较出色且不易**。显示采用了HT16K33和2×4位LED数码管。为了保证精度使用了线性电源。
可能有的读者会奇怪为什么没有放大电路的选型。那是因为AD7192内部的“赠送”的PGA已经完全可以满足需求了,可以省去外部放大电路,降低了成本和系统的复杂性。
2020-9-1 21:10:04 回复
ehengio 楼主     数字奇才B 2020-9-1 21:11:29

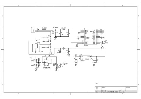
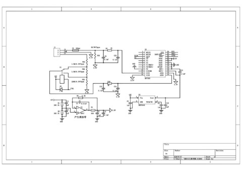
四、模拟部分原理图

01.jpg

系统采用5V单电源,通过U1(OP07)组成的跟随器产生2.5V的模拟零。
电压通道使用三个EE0.1的精密电阻(PR2、PR8、PR3)分压,通过继电器切换分压倍数,1.72M/3.22M用于测试4V量程的信号,0.22M/3.22M用于测试30V量程的信号。
电流通道,采用一个1Ω的EE0.5的精密电阻(PR1)采样,300mA档和30mA档不切换电阻,使用ADC内部的PGA来调整。
利用了AD7192的多通道,电压和电流分别使用不同的通道,省略了通道切换电路。
关于保护电路,因为成本的关系做了简化。电压通道因为输入阻抗非常高,天生就可以承受比较高的电压,接到220VAC不会损坏,不需要额外的保护电路。电流通道只加了一个320mA的快熔型保险丝,用于过流保护。为了安全,本产品不能用于测量高于36V的系统,以免发生人身伤害。


五、通讯接口

通讯接口是六位半对外的窗口,所以本产品花了二十几元的成本,做了一个带隔离的RS232串口(可选配RS485),采用Modbus-RTU协议。
通过这个串口,就可以连接电脑、PLC、组态屏等,组成自己的测量系统。我们还开发了一个示波器软件《EH-ME PC Tool》(见下图),显示测量波形,采集并导出测量数据(EXCEL格式),扩展了产品的应用范围。

02.jpg

03.png



2020-9-1 21:11:29 回复
ehengio 楼主     数字奇才B 2020-9-1 21:12:55
六、主要参数

  
档位
  
分辨率
初始精度(%+%)
温漂(%+%/℃)
输入阻抗
转换速率
  
30.00000VDC
  
10uV
0.01+0.005
0.001+0.001
3.2MΩ
5~600次/秒
  
4.000000VDC
  
1uV
0.01+0.005
0.001+0.001
3.2MΩ
5~600次/秒
  
300.0000mADC
  
100nA
0.05+0.005
0.001+0.001
5~600次/秒
  
30.00000mADC
  
10nA
0.02+0.005
0.001+0.001
5~600次/秒



七、效果演示视频

30V档对比视频:https://v.youku.com/v_show/id_XNDY4NDkyOTY1Ng==.html
4V档对比视频:https://v.youku.com/v_show/id_XNDY4NDkzMDgyNA==.html
300mA档对比视频:https://v.youku.com/v_show/id_XNDY4NDkzMTExMg==.html
30mA档对比视频:https://v.youku.com/v_show/id_XNDY4NDkzMDI5Mg==.html
客户定制1V档视频:https://v.youku.com/v_show/id_XNDY4NDkzMTUzNg==.html
上位机软件视频:https://v.youku.com/v_show/id_XNDY4ODkwMTQ0OA==.html
2020-9-1 21:12:55 回复
ff0000 数字梦想家E 2020-9-1 23:27:30
这个真心牛逼了
2020-9-1 23:27:30 回复
chenglijie2001 数字梦想家E 2020-9-2 00:16:26
出套件吧,我要买。
2020-9-2 00:16:26 回复
糊涂周 数字精灵G 2020-9-2 01:15:01
给坛友是提供整机还是套件?
2020-9-2 01:15:01 回复
kyhwhb 数字大神J 2020-9-2 05:23:29
不错,谢谢分享!
2020-9-2 05:23:29 回复
chen131578 数字精灵G 2020-9-2 06:06:44
做技术的,厉害了。
2020-9-2 06:06:44 回复
散淡021 数字大神J 2020-9-2 06:18:11
谢谢分享去看看
2020-9-2 06:18:11 回复
勇闯沙滩 数字大神J 2020-9-2 06:37:10
这是万用表设计工程师,在别的论坛看过制作六位半的表,是一个老师吗?以后学习学习陆续发表的文章。
2020-9-2 06:37:10 回复
人艰不拆 数字王者I 2020-9-2 08:10:31

不错,谢谢分享!
2020-9-2 08:10:31 回复
wgh1027 数字大神J 2020-9-2 10:35:20
很高大上
以下程序自动插入未在内容中添加的图片或附件
Screenshot_2020-08-19-17-11-09.jpg
2020-9-2 10:35:20 回复
tiger20908 数字梦想家E 2020-9-2 14:09:18
超技术流派!
2020-9-2 14:09:18 回复
光速飞行 数字大神J 2020-9-2 16:14:58
在阿莫哪里看到了。
2020-9-2 16:14:58 回复
anye588 数字奇才B 2020-9-4 19:05:56
技术高手,有成品出吗
2020-9-4 19:05:56 回复