登录
/
注册
首页
资讯
论坛
进入手机版
用户名
Email
自动登录
找回密码
密码
登录
立即注册
只需一步,快速开始
登录
注册
首页
DT830网首页
社区
DT830网社区首页
资讯
视频
DT830网首页
家电
电工电气
汽车电子
仪器仪表
商城
淘宝店
帮助
Help
发帖
勋章
设置
我的收藏
退出
全部
搜索
首页
830数字技术网
»
社区
›
仪友休闲
›
大众空间
›
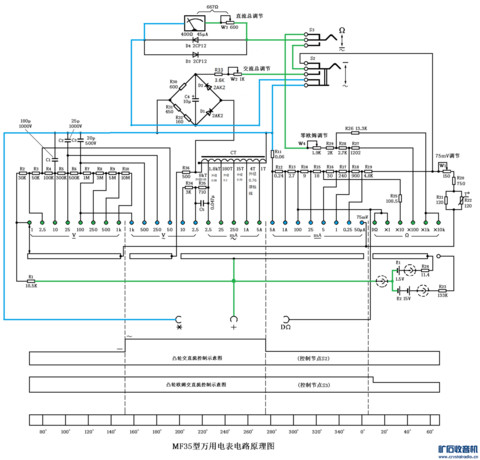
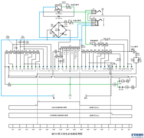
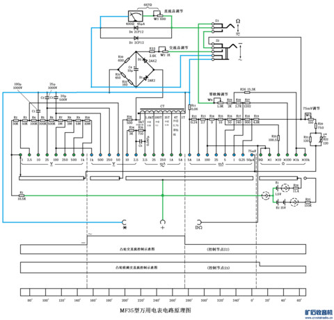
MF35电路图
0
0
返回列表
MF35电路图
[ 复制链接 ]
发表于:2021-5-3 16:46:59
仪友声音
789
登录后可查看大图
您需要
登录
才可以下载或查看,没有账号?
立即注册
x
收藏
送赞
分享
回复
发表回复
高级模式
B
Color
Image
Link
Quote
Code
Smilies
登录
后才能评论
提交
本版积分规则
回帖后跳转到最后一页
评论列表
(1)
闻雨听风
数字王者
2021-5-3 20:27:14
2021-5-3 20:27:14
回复
zwz5910
数字王者
TA还没有介绍自己~
作者推荐
输力强7150plus维修手册
话题
福禄克(Fluke)热像仪常见问答口袋书
Multisim 14.3(64bit)安装包
热成像的空间分辨率,检测距离如何计算?
4
众仪ZT-R02热成像万用表拆解!
5
福禄克:你一定要知道的红外热像仪使用必备知识点
6
关于众仪ZT-DQ02数字电桥测量数值跳动问题
返回版块
快来评论吧
0
0
0
搜索
搜索
本版
帖子
用户
ZT-X
300AB
ZT5566
众仪电测