登录
/
注册
首页
资讯
论坛
进入手机版
用户名
Email
自动登录
找回密码
密码
登录
立即注册
只需一步,快速开始
登录
注册
首页
DT830网首页
社区
DT830网社区首页
资讯
视频
DT830网首页
家电
电工电气
汽车电子
仪器仪表
商城
淘宝店
帮助
Help
发帖
勋章
设置
我的收藏
退出
全部
搜索
首页
830数字技术网
»
社区
›
仪器仪表
›
万用表 钳表 兆欧表
›
优利德UT56维修
1
0
返回列表
优利德UT56维修
[ 复制链接 ]
发表于:2017-10-31 15:41:08
8127
万用表
主题类别:
维修
仪表品牌:
优利德(UNI-T)
显示方式:
三位半
型号或关键字:
UT56
登录后可查看大图
您需要
登录
才可以下载或查看,没有账号?
立即注册
x
周末去破烂市,发现地摊一块UT56,外观很新,没电池测试,和摊主很熟,没要钱就拿回来了,他说这表里面烧了。回来打开外壳,发现这表电流20A档测了电压,估计是插在220上了,下半部漆黑,连接20A端子的铜箔都飞了,装电池开机,所有档位都显示1,先更换了7129,测试直流电压,电阻都正常,精度还不错,连通了飞掉的铜皮就收起来了,第二天给人修机子,郑合高带着这表,谁知道现场测交流电压,居然显示-1,唉,换了7129后没有详细测试,这次掉链子了。
回来继续测试,发现交流电压,交流电流,电容所有档位都显示-1.还得继续修。
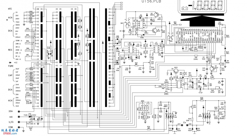
找了56的图纸:
根据图纸分析,上述不能测量的档位,均和U3-TL062有关,这个运放的一半做交流信号处理并整流输出,更换了U3,故障依旧,维修陷入困境
无信号输入时,显示-1,说明7129的输入信号超过了200MV,测U3的7脚,电压-0.227,这正是显示溢出的原因。
但是测5,6脚,电压都是0,奇怪了,运放的正反输入都是0,输出居然有0.23V的电压,运放又没坏,这电压从何而来?
偶然测到VR1,发现这个可调电阻的接地端和地并不相通,原因找到了,查到PCB上,V8的负极焊盘联通地已经被烧断了,很隐蔽,上次没找到,连上地后,所有功能正常了。
看看恢复后的56
收藏
・
1
送赞
分享
评分
参与人数
1
金钱
+6
收起
理由
43545
+ 6
很给力!
查看全部评分
总评分 : 
金钱
+6
回复
发表回复
高级模式
B
Color
Image
Link
Quote
Code
Smilies
登录
后才能评论
提交
本版积分规则
回帖后跳转到最后一页
评论列表
(6)
fengfeizi
数字探长
2017-11-2 09:05:39
成色还不错,完美捡货。
2017-11-2 09:05:39
回复
43545
管理员
2017-11-2 12:19:40
这维修成本高吧,换个 7129 多少钱。
2017-11-2 12:19:40
回复
wyl
数字梦想家
2017-11-5 16:05:53
维修帖不错,收藏了。
2017-11-5 16:05:53
回复
jsycwnw
数字大师
2017-11-6 08:00:39
谢谢分享!高手
2017-11-6 08:00:39
回复
做个好梦
数字梦想家
2017-11-12 08:45:19
楼主动手能力强,有耐心
2017-11-12 08:45:19
回复
lxd7343
数字梦想家
2019-2-5 22:36:23
这个表不错,4位半的,更换的是美信的7139吗? 硬封排阻ebg,值得修,就是黄色外套呢?
2019-2-5 22:36:23
回复
浏览过的版块
LCR 电桥
拆机晒机
资料与工具
标准件 基准源
tsmawa
数字梦想家
TA还没有介绍自己~
作者推荐
hp3457A的校准
话题
惠普HP285PROG3升级5代BIOS缺陷版本
众仪ZT-XR1外用表+内阻仪 毫伏挡乱跳跑偏?
两款钳表交流小电流档精度测试数据及分析
4
胜利万用表资料补全计划—VICTOR VC890D篇之第八代
5
胜利万用表资料补全计划—VICTOR VC890D篇之第七代
6
703S固件最新升级
返回版块
快来评论吧
0
1
0
搜索
搜索
本版
帖子
用户
ZT-X
300AB
ZT5566
众仪电测