设计制作10V±0.01%基准源定标器

发表于:2017-11-1 14:22:52 4933
标准件&校基准源
主题类别: 制作_改装
标准件类型:
仪表品牌: DIY自制
型号或关键字: AD588

登录后可查看大图

您需要 登录 才可以下载或查看,没有账号?立即注册

x

感谢 longshort 坛友的支持,原贴由 longshort发布

需求及概要设计

  为使四位半及以下设备能够快速定标,对四位半以上及六位半设备能够作为定标参考,研制一款±0.01%准确度的10V定标器很有必要。这样一款定标器的基本特性如下:
        1.电压准确度在±0.01%以内;
        2.稳定度指标要求不高,但必须提供可复现的温度系数曲线;
        3.0.1Hz~10Hz频段范围的噪声/短稳峰峰值等于优于2µVp-p
        4.进入准确度为±0.01%的冷启动时间不超过十分钟;
        5.输出的负载调整率优于30ppm/mA
        6.输出电流±(0~2)mA
        7.输出电压+10V-10V

按上述要求,AD588可以满足初始准确度性能要求;稳定度指标可通过多个并联的方式获得可重复电压-温度曲线;噪声/短稳指标则同样通过并联方式来获得可用的数据。
BQ后缀的AD588产品,初始准确度为±1mV,相对于10V输出就是±0.01%,并且进入±0.01%准确度的时间小于1ms。如果在消噪端加了1µF的电容器,那么冷启动时间延长为60ms左右,这个时间也很短。
BQ后缀的AD588产品,在0.1Hz~10Hz频段内的噪声指标最大值是6µVp-p,要达到2µVp-p的指标,需要至少9AD588并联使用。在9个并联的情况下,理论上稳定性指标可达0.5ppm左右,从实用的观点看,0.8ppm是个可预期的目标。
±15V供电条件下,AD588BQ在环境温度为25°C、输出为空载时的长期稳定性指标(老化)是15ppm/1000hr,这相当于年漂移44.4ppm。在9个并联的情况下,预期的指标可达到15ppm/year。老化漂移的方向从经验看,多半是电压值降低。对于二手的拆机品,已经过若干年的使用老化,只要器件不超标,乐观的老化率估计多半在5ppm/year左右。
供电方式可采用双15V电源变压器整流供电,也可以采用30V电源整流后经比较式均压供电,均压后通过78157915输出。不过考虑AD588的线路调整率为200µV/V的指标,78157915显然都不适合,因为1mV的输出电压波动就可能造成200nV的参考电压输出波动,这已经与要求的输出噪声指标相比拟了,这显然是个非常重要之处,必须全盘统一考虑。
几乎所有的三端稳压器都有mV级的温度系数,要达到温度或供电电压变化对参考输出的影响小于100nV,稳压电源的输出随温度的波动或线路调整率必须小于500µV/V,而整流端出来的电压摆幅最大可达5V,这就只能采用分立器件来实现了。可以考虑采用与模拟基准源一样的方法,从基准的输出来导出稳压电源使用的参考电压,这一电压的绝对值并不重要,取的是其稳定性。

AD588±15V供电时的最大静态工作电流是10mA,那么9个器件的静态工作电流总和需要90mA,加上电源电路控制使用最多10mA电流和输出到负载的最大2mA电流,共计102mA。使用双15V或单30V电源变压器时的净总功率需求为4.7W,再考虑功率裕量和功率因素,电源变压器的输入功率至少在6VA或更高一些。当然按每个器件典型工作电流为6mA算,70mA的总电流使用5VA的电源变压器也足够了。

定标器的预定结构参数如下:
 1.电源对称分压(仅针对单30V电源变压器)分流电流最大100mA
 2.正、负LDO最大负载电流100mA
 3.LDO负载调整率等于优于100µV/mA
 4.LDO线路调整率等于优于500µV/V
 5.LDO输出电压温度系数优于±33ppm/°C
 6.LDO输出电压13.9V14.3V,准确度不作要求;
 7.基准输出加法点阻抗等于小于10KΩ
 8.加和跟随器TC优于±1µV/°C
 9.终端输出限流±2mA
10.基准单体分两组,一组四个器件作为基本组,另一组五个器件作为扩展组,但每个组均能以单个器件提供基准。

详细设计与工艺

  基本的硬件结构采用三层PCB叠装方式,一层是电源,一层是基本组,一层是扩展组。三组之间通过排针连接,每条线至少两组排针并联,以加强接触可靠性。

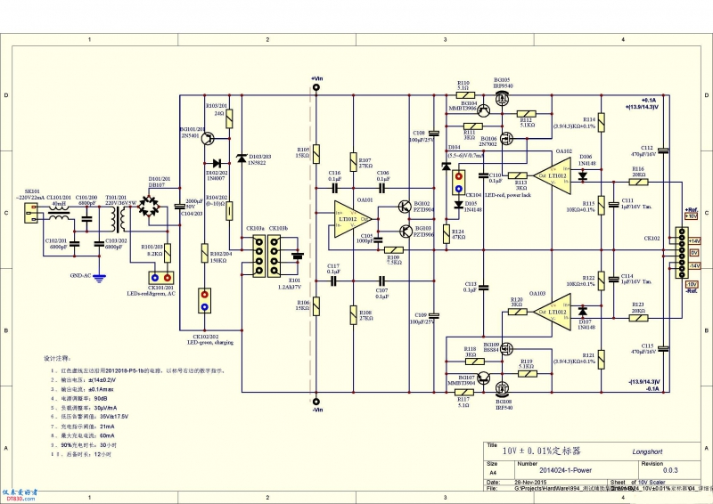
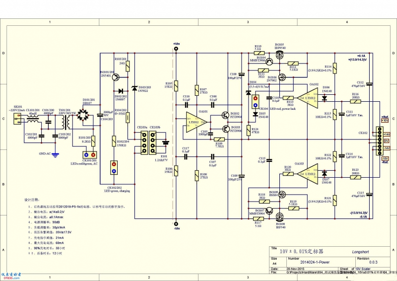
  稳压电源电路:
111026zg4a7r545ghx7h1x.jpg


电路图中的红虚线左侧包含了电池组及其充电电路,如果不需要常年开机,这部分电路可以省略。

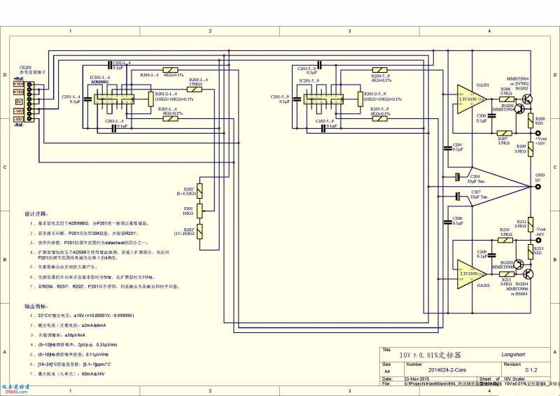
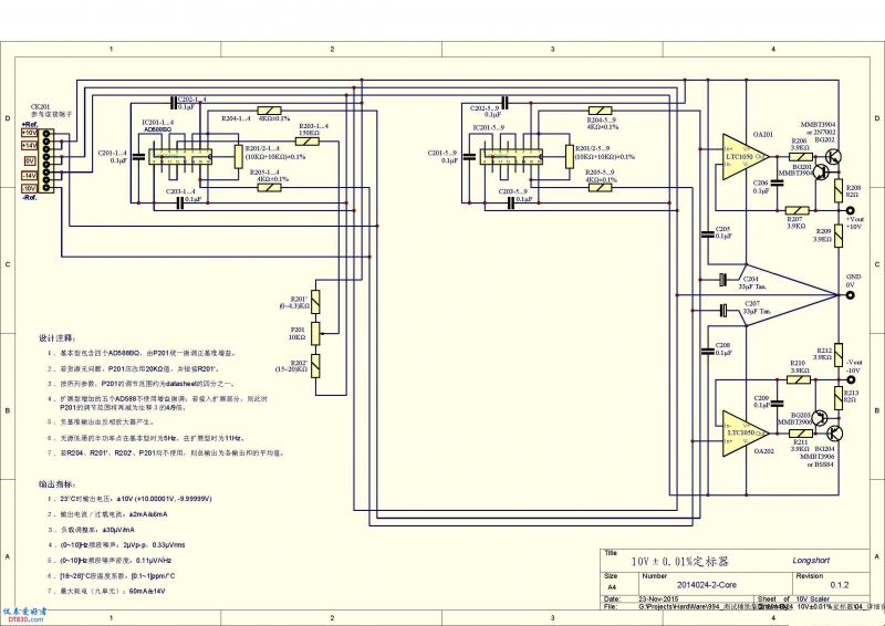
  主基准电路:
111026zg4a7r545ghx7h1x.jpg


 设计意图在图中已经注释清楚。
  左边带电压微调的是基准的基本组部分,AD588BQ的最少数量为一片,最多为四片。
  中间不带微调的是基准的扩展组部分,AD588BQ的最少数量为零片,最多为五片。
  右边是输出合成部分。各基准的输出加和电阻与加和端的电容器形成低通滤波器。
  AD588BQ采用二手拆机的器件,在利用它们之前已经有了平均19.5年的使用年限。正式使用之前必须对它们进行测试,并估算等效的使用年限,以便确定是否采用。下图是测试结果的部分截图,估算等效年限所用的加权因子是主观确定的:
111026zg4a7r545ghx7h1x.jpg

其中8#芯片的偏移值最大,且等效使用年限最大,此芯片不予采用。

  AD588BQ的负输出倒相使用了AE±0.1%10K+10K孪生金属箔电阻器。这些电阻器虽然对称性比较高,但其微小的差异仍然对电压的反相有明显的影响,因此在使用前必须测出比较精确的比例,下图是将测试出的不同器件与基准芯片进行配对例子:
111026zg4a7r545ghx7h1x.jpg


对配对结果进行了纸上测算,付诸实践时还进行了人工矫正。见图(数据仅供参考):

111026zg4a7r545ghx7h1x.jpg


PCB组合,分别为:上-扩展板,下左-基本板,下右-电源板。图中的基本板是用来测试芯片的,安装了一个插座:

111026zg4a7r545ghx7h1x.jpg

其中扩展板在结构上是可以重复添加的,例如将芯片的总数增加到16片、25片等等,但这需要考虑稳压电源板的供电能力。

  芯片测试用组合:
111026zg4a7r545ghx7h1x.jpg

一块加了DIP14插座的基本板和一块电源板的组合,通过11mm铜柱进行连接。

  与供电的电源板组合
111026zg4a7r545ghx7h1x.jpg
九单元合照:
111026zg4a7r545ghx7h1x.jpg

体积和功率允许的话,左边的扩展板还可以再增加。

  三层叠装:
111026zg4a7r545ghx7h1x.jpg

装屏蔽盒:
111026zg4a7r545ghx7h1x.jpg

总装,中间用镀铝薄膜包装的是1.2Ah37V锂离子聚合物电池,用市售带保护板的单体电池组装而成:
111026zg4a7r545ghx7h1x.jpg

和其它基准有相近的外观:
111026zg4a7r545ghx7h1x.jpg


测试数据及参考资料

  测试过程从2015-11-22开始至今,大体上分成三个阶段:第一阶段2015-112016-06,第二阶段2016-072016-12,第三阶段2017-01至今。在三个阶段中得到的短稳/噪声平均值各有不同,总体上逐步降低:
111026zg4a7r545ghx7h1x.jpg

其中第一阶段(A2-1)使用的设备是Solartron7065,老化比较严重,测试值存疑。第二(A2-2)及第三(A3)阶段都用的是Agilent34401A,两相比较,数据大体上可以看出趋势。
  数据的采集是人工读值,每次采样100条记录做方差,并同时记录环境温度。在每次的记录中,还须扣除测试表当日的10V档噪声本底与0.1V档噪声本底。对于我的Agilent34401A10V0.1V两档的平均本底分别为0.718uVrms0.058uVrms。短稳/噪声的所有测试结果均外推/拟合到(0.1~10)Hz频段。
  当前短稳/噪声达到的输出平均水平是0.236uVrms,折合到峰值大约1.416uVp-p。扣除输出跟随器约0.22uVrms的噪声,得到大约85.42nVrms的合成值,这个值再乘以sqrt9,就是每个基准的平均噪声有效值水平,即约0.256uVrms,折合到峰值大约1.537uVp-p。考虑到AD588BQ的出厂指标是6uVp-p,且经过了平均19.5年的使用老化,这个结果是可以接受的。
  按每次间隔的数据减除方式平均,所得到的定标器目前的平均电压-温度系数分别是:+10V-2.38ppm/°C-10V-1.369ppm/°C。这个结果与二元回归分析的结果有一些差距,具体将在另帖描述。
  此外,也对定标器的宽带噪声进行了测试,采样方式相同,但因为使用了交流方式测量,所以测量只持续了几天,平均后的数据为+10V623uVrms-10V180uVrms,相应的测试带宽为(3~300K)Hz,测试设备为Agilent34401A,交流0.1V档。测试的结果有点大,且正负两端不同。考虑到两个放大器的组态是一样的,差异可能与放大器本身有关;放大器使用的型号是自稳零方式的LTC1050,其积分电容器与稳零记忆电容器内建,值不可调节。

  部分参考资料:
AD588
http://www.dt830.com/thread-582-1-1.html
LTC1050
http://www.dt830.com/thread-581-1-1.html

(结束)
收藏
送赞
分享

发表回复

评论列表(9)

xo304 数字梦想家E 2017-11-2 19:46:57
某个坛友的作品,感觉你的比较复杂。 实物图_1.jpg
2017-11-2 19:46:57 回复
wgsd 数字大神J 2017-11-4 21:55:02
只要正常的AD588BQ,不用标定一般不会超过正负1mV,校准4位半没问题,标定后校5位半无压力,做好恒温比6位半的表温飘还小。
2017-11-4 21:55:02 回复
乐在其中110 数字精灵G 2017-11-5 01:17:43
路过留个脚印。
2017-11-5 01:17:43 回复
勇闯沙滩 数字大神J 2017-12-16 19:18:56
网上买的就够用,用九个AD588BQ做干什么用?
2017-12-16 19:18:56 回复
camck 数字小子A 2018-4-22 13:52:27
超豪华的阵容
2018-4-22 13:52:27 回复
echo 数字斗士C 2018-5-5 23:27:58
我有成品,可以叠装,目前用来提供5 10 15 20电压基准
2018-5-5 23:27:58 回复
ljs_0437 数字探长D 2018-5-6 22:36:35
这个好复杂啊。
2018-5-6 22:36:35 回复
lxd7343 数字梦想家E 2019-2-5 22:49:09
这个看看吧,暂时制备不起
2019-2-5 22:49:09 回复
chen131578 数字精灵G 2019-2-12 16:04:22
很专业。
2019-2-12 16:04:22 回复