登录
/
注册
首页
资讯
论坛
进入手机版
用户名
Email
自动登录
找回密码
密码
登录
立即注册
只需一步,快速开始
登录
注册
首页
DT830网首页
社区
DT830网社区首页
资讯
视频
DT830网首页
家电
电工电气
汽车电子
仪器仪表
商城
淘宝店
帮助
Help
发帖
勋章
设置
我的收藏
退出
全部
搜索
首页
830数字技术网
»
社区
›
技术讨论
›
电子电路
›
AD588基准仿真
0
0
返回列表
AD588基准仿真
[ 复制链接 ]
发表于:2017-11-5 19:50:17
2082
电子电路
技术类别:
电路仿真
关键字:
AD588基准仿真
登录后可查看大图
您需要
登录
才可以下载或查看,没有账号?
立即注册
x
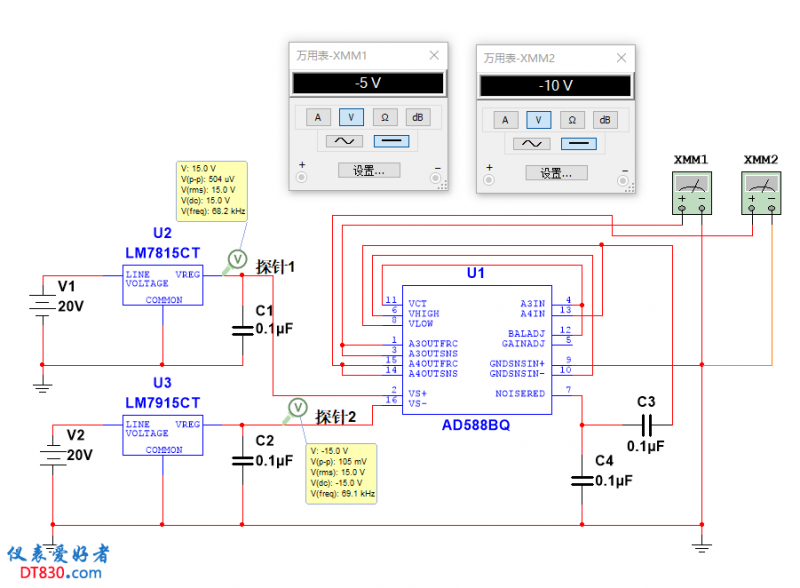
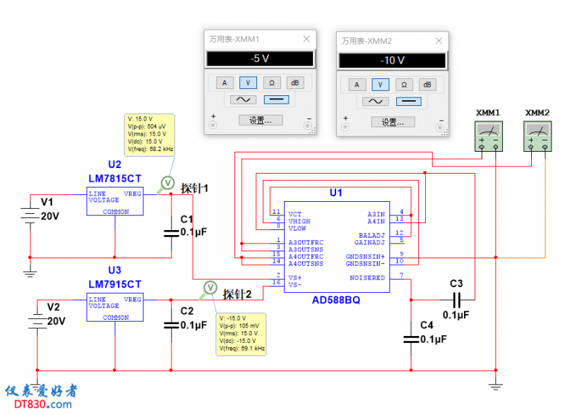
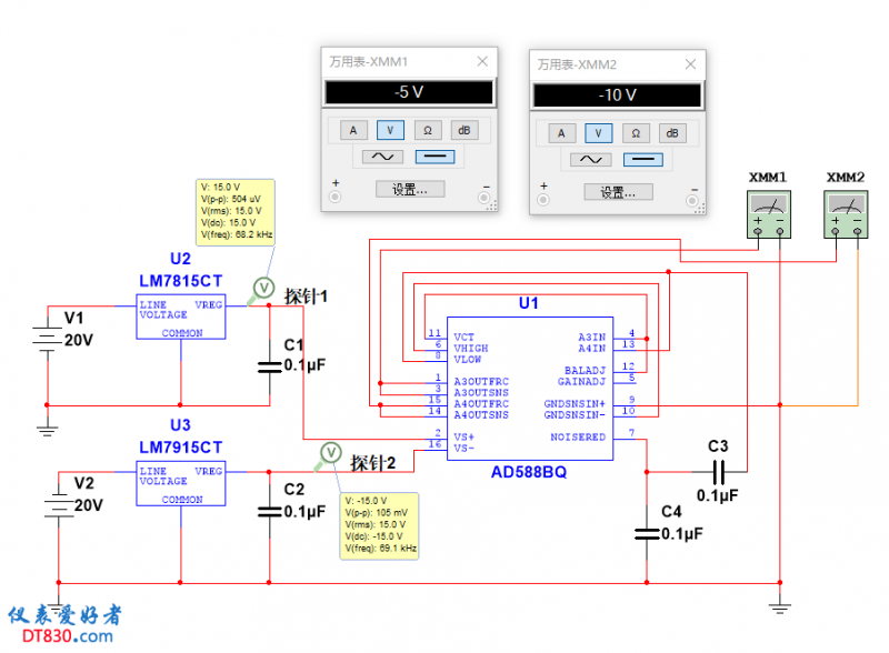
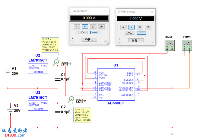
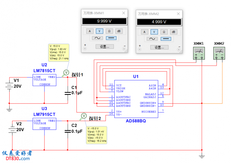
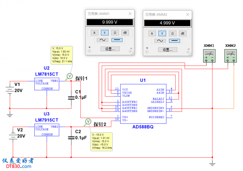
AD588基准仿真正电源5V_10V。
AD588基准仿真负电源-5V_-10V。
收藏
送赞
分享
评分
参与人数
1
金钱
+3
收起
理由
43545
+ 3
赞一个!
查看全部评分
总评分 : 
金钱
+3
回复
发表回复
高级模式
B
Color
Image
Link
Quote
Code
Smilies
登录
后才能评论
提交
本版积分规则
回帖后跳转到最后一页
评论列表
(1)
光速飞行
楼主
数字大神
2017-11-6 14:17:08
谢谢!,谢谢!
2017-11-6 14:17:08
回复
光速飞行
数字大神
TA还没有介绍自己~
作者推荐
新版VICTOR VC980+拆机评测
单片机开发板
万用表、测不出的电容
万用表测量开关电源C极电压
ZOYI众仪 ZT-M1万用表
数字万用表二极管档测量开关电源1H0165R芯片的发现
福禄克 289C 频率
吊丝(张丝)表头,指针表
ZOTEK VC903 钳表
500型万用表电路图
话题
胜利万用表资料补全计划—VICTOR VC890D篇之TM版
福禄克(Fluke)热像仪常见问答口袋书
Multisim 14.3(64bit)安装包
4
热成像的空间分辨率,检测距离如何计算?
5
众仪ZT-R02热成像万用表拆解!
6
福禄克:你一定要知道的红外热像仪使用必备知识点
返回版块
快来评论吧
0
0
0
搜索
搜索
本版
帖子
用户
ZT-X
300AB
ZT5566
众仪电测