830万用表又一新功能

发表于:2020-6-4 21:16:17 6821
万用表
主题类别: 知识_经验
仪表品牌: 其它品牌
显示方式: 三位半
型号或关键字: A830L

登录后可查看大图

您需要 登录 才可以下载或查看,没有账号?立即注册

x
老树发新芽,发现830万用表又多了一个新功能,“mA,—||—,1.5V”档, 能测量1.5V电池容量。

IMG_20200604_204344.jpg
收藏
送赞
分享

发表回复

评论列表(23)

wgh1027 楼主     数字大神J 2020-6-4 21:19:45
放电电流41.1mA是什么意思,精度还挺高。
2020-6-4 21:19:45 回复
月台故事 数字大师F 2020-6-4 21:26:38
830l精度不错
2020-6-4 21:26:38 回复
fslichong 数字王者I 2020-6-4 21:29:52
就是,增加新功能才会有卖点,老是那个样子就不会有吸引力
2020-6-4 21:29:52 回复
闻雨听风 数字王者I 2020-6-4 22:35:00
       估计这个41.1mA是指新的干电池在表内的固定电阻做为负载的时候可以输出的电流值。其实这个挡位就是机内的负载电阻在不同的电池电压时看其输出电流值来估测电池的新旧和容量。下面的表格是隔壁论坛坛友提供的不同的电池电压时的输出电流参考值。
无标题.jpg
2020-6-4 22:35:00 回复
wgh1027 楼主     数字大神J 2020-6-5 00:04:17
fslichong 发表于 2020-6-4 21:29
就是,增加新功能才会有卖点,老是那个样子就不会有吸引力

关键是为什么是41.1mA呢
2020-6-5 00:04:17 回复
wgh1027 楼主     数字大神J 2020-6-5 00:07:10
闻雨听风 发表于 2020-6-4 22:35
估计这个41.1mA是指新的干电池在表内的固定电阻做为负载的时候可以输出的电流值。其实这个挡位就是 ...

感觉那个41.1有点玄
2020-6-5 00:07:10 回复
西林迷 数字精灵G 2020-6-5 00:17:49
测量的是负载电压,不是电池容量,这个要注意
比较实用的功能
2020-6-5 00:17:49 回复
勇闯沙滩 数字大神J 2020-6-5 06:27:56
测电池以20-50ma电流对电池放电,测电压。有的电池测电压有1.5v,用这个档位一测,只有1.1v。证明没电了,很实用的功能。
2020-6-5 06:27:56 回复
kyhwhb 数字大神J 2020-6-5 07:47:38
wgh1027 发表于 2020-6-5 00:04
关键是为什么是41.1mA呢

死要要。。。。。。
2020-6-5 07:47:38 回复
kyhwhb 数字大神J 2020-6-5 07:49:14
这个小表子造型还是不错的
2020-6-5 07:49:14 回复
人艰不拆 数字王者I 2020-6-5 07:50:25
图呢?没有了
2020-6-5 07:50:25 回复
yangsen 数字大师F 2020-6-5 09:27:36
估计这表的电池测量档位设计的是41.1ma放电电流,然后来个一菜两卖
2020-6-5 09:27:36 回复
wgh1027 楼主     数字大神J 2020-6-5 09:45:53
yangsen 发表于 2020-6-5 09:27
估计这表的电池测量档位设计的是41.1ma放电电流,然后来个一菜两卖

为什么是41.1呢?
2020-6-5 09:45:53 回复
wgh1027 楼主     数字大神J 2020-6-5 09:47:14
人艰不拆 发表于 2020-6-5 07:50
图呢?没有了

图在一楼没看见吗?
2020-6-5 09:47:14 回复
人艰不拆 数字王者I 2020-6-5 09:52:21
wgh1027 发表于 2020-6-5 09:47
图在一楼没看见吗?

看错了,以为这页是首页呢
2020-6-5 09:52:21 回复
闻雨听风 数字王者I 2020-6-5 10:06:45
勇闯沙滩 发表于 2020-6-5 06:27
测电池以20-50ma电流对电池放电,测电压。有的电池测电压有1.5v,用这个档位一测,只有1.1v。证明没电了, ...

这个直接显示的是电流,所以我才转了坛友的表格。
2020-6-5 10:06:45 回复
勇闯沙滩 数字大神J 2020-6-5 14:32:54
闻雨听风 发表于 2020-6-5 10:06
这个直接显示的是电流,所以我才转了坛友的表格。

那个表格很有用,有参考价值。
2020-6-5 14:32:54 回复
yangsen 数字大师F 2020-6-5 14:58:15
wgh1027 发表于 2020-6-5 09:45
为什么是41.1呢?

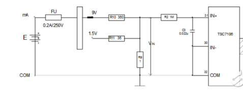
万用表电池测量电路

万用表电池测量电路


2020-6-5 14:58:15 回复
yangsen 数字大师F 2020-6-5 14:59:36
看图,估计就是这个原因,1.5V档1.5V时放电电流40.5ma
2020-6-5 14:59:36 回复
12下一页