登录
/
注册
首页
资讯
论坛
进入手机版
用户名
Email
自动登录
找回密码
密码
登录
立即注册
只需一步,快速开始
登录
注册
首页
DT830网首页
社区
DT830网社区首页
资讯
视频
DT830网首页
家电
电工电气
汽车电子
仪器仪表
商城
淘宝店
帮助
Help
发帖
勋章
设置
我的收藏
退出
全部
搜索
首页
830数字技术网
»
社区
›
仪器仪表
›
LCR 电桥
›
求hm2791图纸
0
0
返回列表
求hm2791图纸
[ 复制链接 ]
发表于:2020-2-25 16:13:58
1927
来自手机
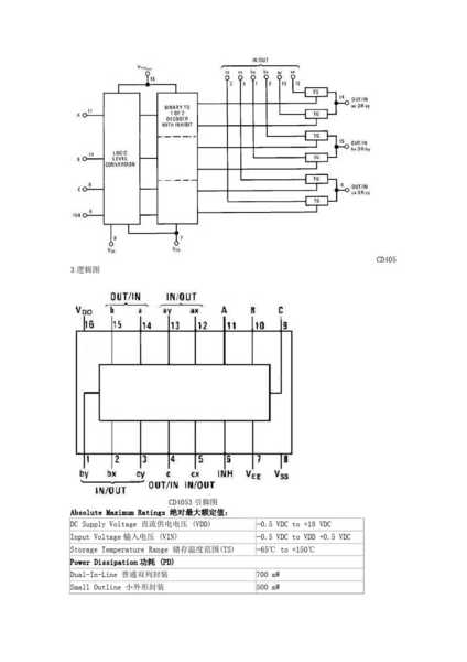
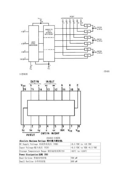
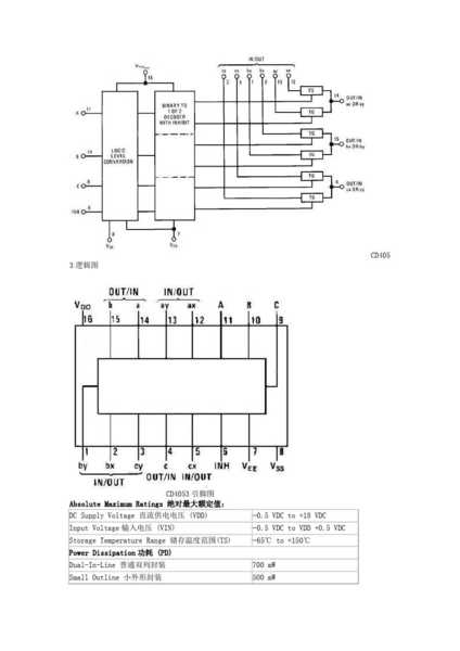
LCR电桥
主题类别:
资料_电路图
仪表品牌:
其它品牌
型号或关键字:
2791
登录后可查看大图
您需要
登录
才可以下载或查看,没有账号?
立即注册
x
本帖最后由 官修 于 2020-3-1 15:33 编辑
哪位朋友有这个图纸资料,黑龙江产,只有自己画了
以下程序自动插入未在内容中添加的图片或附件
收藏
送赞
分享
回复
发表回复
高级模式
B
Color
Image
Link
Quote
Code
Smilies
登录
后才能评论
提交
本版积分规则
回帖后跳转到最后一页
浏览过的版块
电子电路
万用表 钳表 兆欧表
标准件 基准源
拆机晒机
官修
数字探长
TA还没有介绍自己~
作者推荐
芯片都打磨了
深圳滨江SZBJ 仪器仪表 专用电容表 DT6013B
岩崎DS-8812示波器100M示波器拆机图
PLCC封装的ICL7106CQH
求mc资料大全书籍与cd4000资料大全书籍
美国WAVETEK信号发生器FG3B维修
BK830电容表拆机图片
茂迪4070d拆机图
万用上三角下三角是什么档
岁月无情的摧残着我们的生命!
话题
惠普HP285PROG3升级5代BIOS缺陷版本
众仪ZT-XR1外用表+内阻仪 毫伏挡乱跳跑偏?
两款钳表交流小电流档精度测试数据及分析
4
胜利万用表资料补全计划—VICTOR VC890D篇之第八代
5
胜利万用表资料补全计划—VICTOR VC890D篇之第七代
6
703S固件最新升级
返回版块
快来评论吧
0
0
0
搜索
搜索
本版
帖子
用户
ZT-X
300AB
ZT5566
众仪电测