2021版胜利vc9808拆解

发表于:2023-1-17 17:27:50 5634
万用表
主题类别: 评测(详细)
仪表品牌: 胜利(VICTOR)
显示方式: 三位半
型号或关键字: vc9808

登录后可查看大图

您需要 登录 才可以下载或查看,没有账号?立即注册

x
IMG_20230117_164240366.jpg IMG_20230117_164244422.jpg
变形金刚的外形,还以为是晶华微的主控,其实是单片机的(型号未知),边上有24c08的rom.外围电路与老版本一样,估计也存在老版本的一些问题,比如场管漏流造成三角波底部失真,tl062的失调电压造成50uh以内测量不出。
IMG_20230117_164232884.jpg IMG_20230117_164319170.jpg IMG_20230117_164312400.jpg IMG_20230117_164256974.jpg IMG_20230117_165052571.jpg IMG_20230117_164834541.jpg IMG_20230117_164812484.jpg
电源部分有改进,还是用的385的1.2基准把单片机的vss抬高1.2v 使vgnd对地变成3v好配合外围电路运放的中点电压。老版本单片机用的是5v ldo再通过三个二极管降压到3.3v 新版本是直接用的3.3v的ldo 老板本的外围供电是5v的ldi通过385基准抬高到6.2v 新版本是直接一颗可调压ldo直接输出(也可能是dc-dc的ic,sot23-6的那颗。没查到)。
多了个白色的尾插不知道干什么的空在那。功能上多了个照明和双色的指示灯(不知道是不是感应电压测量功能用的,档位上没那个标识,关键是照明也没有标识。隐藏功能?)
硬封的ic,基本可以确定保修卡上2021的都是硬芯。
IMG_20230117_171703534.jpg
还是用的这两颗2306 漏流会使1mh档三角波失真,估计工程师就没考虑使用者(电工)会用到。
IMG_20230117_172325770.jpg
多了三颗保护(难得不是缩水)
IMG_20230109_090708448_EDIT_1.jpg
这是老版本(被我拆的差不多了)
总结下,牛屎变硬芯,电源部分加料优化,保护加料。50uh内继续不能测量。
收藏
送赞
分享

发表回复

评论列表(23)

ftr315 楼主     数字探长D 2023-1-17 17:41:05
另外,单片机版本的vc9805.vc9808其实就是同一种。没区别。这表算是胜利的经典产品。当初400多买过一块后来搞丢了。这次收了块坏的单片机版本的vc9805,本来修好了的结果没忍住全部拆干净了研究下牛屎也铲掉了看看。准备把原来设计不合理的地方改进下。后来逛闲鱼发现新版本的160米就果断入手收藏了块新的。
2023-1-17 17:41:05 回复
马蜂 数字梦想家E 2023-1-17 18:14:40
可以闲鱼十几块钱买块原厂芯片装上,老表也不能扔啊
2023-1-17 18:14:40 回复
hc061218 数字王者I 2023-1-17 19:10:12
插座我记得是电源,估计是校准表的时候方便接电源吧。  而且这表没啥意思吧,不如电桥加万用表。胜利新款做的一言难尽!
2023-1-17 19:10:12 回复
ftr315 楼主     数字探长D 2023-1-17 19:20:52
手持电桥不方便,出门一块9808全搞定。唯一的不好就是uh测量不行。记得一前测量电机线圈有块9808真是太方便了。
2023-1-17 19:20:52 回复
wgh1027 数字大神J 2023-1-17 20:35:35
谢谢分享
2023-1-17 20:35:35 回复
ftr315 楼主     数字探长D 2023-1-17 20:36:52
试了下。白色的尾插是电源
2023-1-17 20:36:52 回复
atz123 数字王者I 2023-1-17 20:53:28
看着挺好的。不知楼主怎么知晓其短处?
2023-1-17 20:53:28 回复
mvwz24029819 数字精灵G 2023-1-17 20:58:10
谢谢分享
2023-1-17 20:58:10 回复
cdsh 数字梦想家E 2023-1-17 20:58:32
谢谢分享
2023-1-17 20:58:32 回复
勇闯沙滩 数字大神J 2023-1-17 20:59:08
很好的表。
2023-1-17 20:59:08 回复
ftr315 楼主     数字探长D 2023-1-17 21:03:02
atz123 发表于 2023-1-17 20:53
看着挺好的。不知楼主怎么知晓其短处?

老的全拆干净了分析了电路,还用示波器测量了各量程积分电路波形。再对比了新版本的同样的问题复现。
2023-1-17 21:03:02 回复
ftr315 楼主     数字探长D 2023-1-17 21:09:32
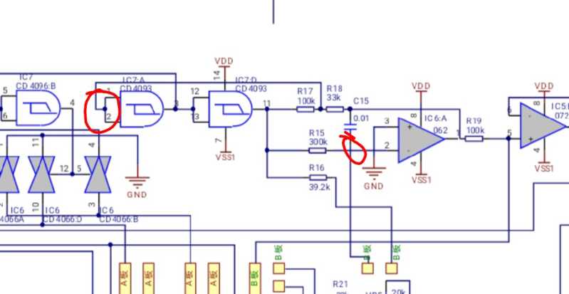
另外,网上流传的vc9808的图纸虽然不是单片机版本的但基本上是一样的工作原理,而且流传的图纸也是有错误。
Screenshot_2023-01-17-21-06-09-0358868076_EDIT_1.png
按理来说左边与非门是方波信号输入图中画的没有信号输入点。右边的积分应该是连接点图中没画连接点
2023-1-17 21:09:32 回复
喜欢就好 数字巨人H 2023-1-17 21:27:08
谢谢楼主拆机分享!
2023-1-17 21:27:08 回复
zhangwj98 数字精灵G 2023-1-17 21:36:17
楼主功夫了得。
2023-1-17 21:36:17 回复
mvwz24029819 数字精灵G 2023-1-17 21:40:07
谢谢分享
2023-1-17 21:40:07 回复
wgh1027 数字大神J 2023-1-17 21:46:48
还是硬封的养眼
2023-1-17 21:46:48 回复
ftr315 楼主     数字探长D 2023-1-17 21:52:14
wgh1027 发表于 2023-1-17 21:46
还是硬封的养眼

不只是养眼,以前觉得牛屎与硬芯没区别,但是在折磨老版本的9808发现,整版加热受应力改变使的牛屎内部有接触不良的表现,可能是pcb受热应力改变造成。所以我推翻我自己对牛屎与硬芯同样质量的结论。
2023-1-17 21:52:14 回复
fslichong 数字王者I 2023-1-17 23:54:41
看到硬芯片感觉很好
2023-1-17 23:54:41 回复
wyl 数字梦想家E 2023-1-18 09:13:26
谢谢展示,长知识了。
2023-1-18 09:13:26 回复
12下一页