ZT-M1维修求助。

发表于:2023-6-12 09:15:07 1310
万用表
主题类别: 求助
仪表品牌: 众仪(ZOYI)
显示方式: 三位半
型号或关键字: ZT-M1

登录后可查看大图

您需要 登录 才可以下载或查看,没有账号?立即注册

x


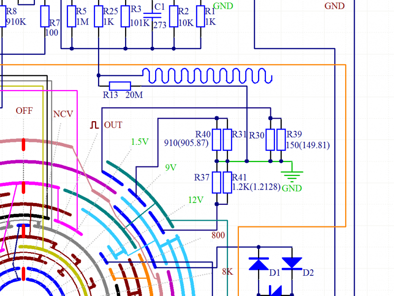
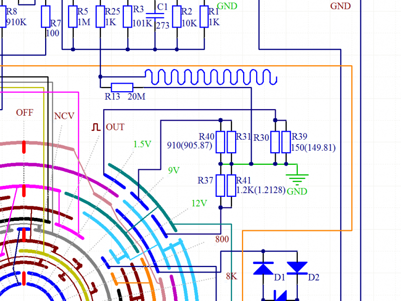
师傅们请问下众仪ZT-M1板上面的R37这个电阻是多少欧的?(看下图)

以下程序自动插入未在内容中添加的图片或附件
IMG_20230612_090541.jpg
收藏
送赞
分享

发表回复

评论列表(12)

wgsd 数字大神J 2023-6-12 10:38:08
R37和R41是幷连的吧?测一下R41反算一下看看。
G0.png

2023-6-12 10:38:08 回复
wgsd 数字大神J 2023-6-12 10:53:02
测量12V电池档测高压了吧?
2023-6-12 10:53:02 回复
白不分 楼主     数字大师F 2023-6-12 11:19:07
串联的,
应该是同事把我万用表拿去用,打错档位了吧。
2023-6-12 11:19:07 回复
wgsd 数字大神J 2023-6-12 12:06:50
白不分 发表于 2023-6-12 11:19
串联的,
应该是同事把我万用表拿去用,打错档位了吧。

不会吧,我之前测量这三档电阻都是幷连的啊。你测量一下看R40两端电阻和R31两端电阻是否一样,还有R30和R39。
2023-6-12 12:06:50 回复

点评

是我搞错,确实是并联的😂😂 
2023-6-12 12:54
白不分 楼主     数字大师F 2023-6-12 12:54:04
是我搞错,确实是并联的👍👍
2023-6-12 12:54:04 回复
atz123 数字王者I 2023-6-12 20:51:12
白不分 发表于 2023-6-12 11:19
串联的,
应该是同事把我万用表拿去用,打错档位了吧。

不能外借啊!怪不得大神们经常备着炮灰表
2023-6-12 20:51:12 回复
wgh1027 数字大神J 2023-6-12 23:08:52
这个应该是厂家设计错误所至。
2023-6-12 23:08:52 回复
勇闯沙滩 数字大神J 2023-6-13 05:34:09
是PTC。热敏电阻。
2023-6-13 05:34:09 回复
wgh1027 数字大神J 2023-6-13 22:00:29
旁边的R41没事吧?
2023-6-13 22:00:29 回复
wgh1027 数字大神J 2023-7-3 21:44:15
修好没有?
2023-7-3 21:44:15 回复
wgh1027 数字大神J 2023-8-15 20:10:22
看来还没有修好
2023-8-15 20:10:22 回复