| 
假设,我们希望测量一些电阻元件离欧姆表很远,这种情况会有问题。因为欧姆表测量的电路回路中包含所有电阻,不仅是你想要测量的那个电阻。这是为什么呢??明明只有一个电阻啊?因为回路中还包括将欧姆表连接到被测元件的导线电阻。
x
登录后可查看大图您需要 登录 才可以下载或查看,没有账号?立即注册 
  
   通常导线的电阻非常小(几米长也没有多少欧姆值,电阻大小主要取决导线的制作材料),但如果连接的导线是非常长,同时被测的电阻是那种阻值很低的电阻,导线带入的电阻测量误差是很大的,在这种情况下测量这种电阻有一个巧妙方法,同时使用两个表,一个电压表,一个电流表。我们从欧姆定律知道,电阻等于电压除以电流(R = E/I 没写错是E,一般E为电源电动势)。从而,如果我们能够测量被测电阻的电流和这个电阻的电压降,我们应该能确定被测电阻的阻值。
 
   
 电路中,所有点电流是相等的(串联电路,电流处处相等),因为它是一个串联回路,因为我们只是测量被测电阻的压降(不测量线路电阻),所以计算的电阻值只是被测电阻的。
 但我们的目标是从远端测量这个电阻的,因此我们的电压表必须位于电流表的附近,电压表通过导线(也包含线路电阻)连接到被测电阻两端。
 
 
   第一次看上去我们失去了用这种方式测量电阻的任何优势,因为电压表必须通过一对导线连接到被测电阻上测量电压,再次将杂散的电阻引入了测量电路中(注:电压表也是有内阻的,但值很大,总体看上去就是在被测电阻上并联了一个大电阻),然而进过仔细检查,发现没有任何的损失或不好的地方,因为电压表的导线带有微小的电流。因此,将电压表连接到被测电阻两端的导线将降低不明显的电压降,从而导致这种电压表指示与直接连接到被测电阻上的电压值非常相似。
 
 
   电压表的测量不会导致主电路的任何电压电流下降,所以根本不用考虑电压表上电阻的计算。如果使电压表保持的是最小量程(满刻度)或电位(零平衡)测量系统,将进一步提高测量精度。
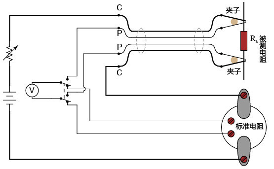
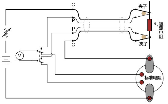
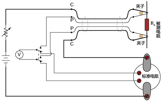
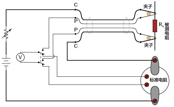
 这种避免由导线电阻引起误差的测量方法称为开尔文(Kelvin)或4线方法,这种使用方便连接到被测电阻上的特殊夹子称为开尔文夹。
 
   
 在普通的鳄鱼夹中,夹子两半在下颚处是电气共用(DT830网注:一般是夹子中间部位相连,且夹子两半是相互导通的)。在开尔文夹中,
 夹子两半在下颚处是彼此绝缘的(注:两半夹子虽然连在一起,但相互独立),仅在夹子的尖端处接触,它们夹住被测物的引线或端子。(这时两半夹子是相互导通的)。因此,通过“C”(“电流”)半边夹子的电流不会通过“P”(“电势”或“ 电压 ” 半边夹子),并且不会随着它们的长度产生任何压降误差。
 
 
   利用不同的接触点传输电流和电压测量的相同原理,使用精密分流电阻用于测量大电流。正如前面所述,分流电阻的功能作为电流测量装置,每通过一个安培的电流都会得到一个精确的电压。电阻上的电压降由电压表来测量,这个意义上是说,一个精密分流电阻“转换”一个电流值为一个比例的电压值(电阻越大,在电阻上的电压压降越大)。因此,可以通过测量分流电阻两端的电压降来精确测量电流(通过公式计算)。
 
   使用分流电阻与电压表测量电流这种方式适合应用到涉及特别大的电流中,在这样的应用中,这些分流电阻可能在毫欧或微欧的数量级。因此,在全电流下仅会有适量的电压下降,这么低的电阻相当于导线的线路电阻,这就意味着在这么小阻值的分流电阻上测量电压,要避免检测到载流导线上的电压降,以免引起巨大的误差。为了测量分流电阻本身的电压降,没有任何来自导线和连接电阻的杂散电压,分流器通常配4个连接端子。
 
   
 在计量学中("计量学=计量科学")应用中,精度是非常重要的,高精度“标准”电阻器还配有四个端子,其中两个端子用来承载测量电流,别外两个用来传输电阻上的电压降到电压表上,这样电压表只测量电阻本身的电压降,而没有任何杂散电压和导线电压降。
 下图显示一个浸在温控油槽中值为1欧的精密标准电阻,以及其它几个标准电阻,注意图中的电阻,两个大端子连接电流,小的连接电压。
 
   下图是另一个德国二战前制造的标准电阻器,阻值为0.001欧,同样有四个黑色旋钮端子(每个旋钮下方的金属垫用于与导线直接连接),两个大旋钮用来固定传递电流,两个小旋钮用来传递电压。
 
 
   感谢福禄克公司,可以在他们的主要标准实验室中拍摄这些昂贵且有些罕见的标准电阻器。
 应该注意的是,同时使用电流表与电压表进行电阻测量会产生复合误差。由于两种仪器的精度都影响到测量结果,因此整体测量精度可能比单独的任何仪器都要差。例如:如果电流表精度是 +/- 1%,并且电压表精度也是+/- 1%,依赖这两种仪器的测量结果都可能不会准确,可能达到 +/- 2% 。通过用标准电阻替换电流表作为电流测量分流器可以获得更高的测量精度,标准电阻和用来测量压降的电压表之间仍然存在复合误差,但还是比用电压表+电流表这种方试误差要少,因为典型的标准电阻精度远远超过典型的电流表精度。使用开尔文夹子与被测电阻相连,电路看起来像是这样的:
 
   
 
 上述电路中的所有电流有关的均以“粗体”显示,以便于将电压表连接两个电阻(被测电阻和标准电阻)的导线轻松区分开。理想情况下,测量电压的电压表用于确保尽可能少的电流通过“电位”导线。
 
 
   
 开尔文测量可以成为在电路中发现不良连接或意外电阻的实用工具。将直流电源连接到电路上,并调整电源,使其向电路提供恒定电流,如上图所示(当然,电流在电路承载能力范围)。用数字万用表测量直流电压,测量电路中各点的电压降。 如何你知道导线长度,你可以估算出应该显示的电压降的值,并将该值与您测量的电压值进行比效。这可以在暴露元件那种布线中查找出不良连接的一种快速有效的方法。
 例如:在拖车的照明电路中,它也可以很好地用于无交流电源的电路中(确保没有打开交流电源),例如:你可以测量灯的开关电压降,并确定与开关或开关的触点的连接线是否接触不良。为了更有效的使用这种技术,你还应该在新制造的电路之后测量相同类型的电路,这样你就能感觉到“正确”的值。
 如果你在新电路上使用这种技术,并将结果记录在日志中,你将有宝贵的信息用于将来的故障排除。
 
 
 
 
 
 |