请选择 进入手机版 | 继续访问电脑版

第六期 众仪ZT-QB系列钳型万用表赠送活动

发表于:2019-5-25 14:47:26 万用表 16443

登录后可查看大图

您需要 登录 才可以下载或查看,没有账号?立即注册

x
众仪ZT-QB1、ZT-QB3、ZT-QB4 钳型万用表赠送活动正式开始,初步定为赠送万用表21块,具体赠送发货时间待定,出现意外也有可能不赠送哦:)

参与方式与资格:
4000字及以上会员等级。(2019/5/25 15:00后注册的用户升级 不算)
需要有1000仪表币。赠送后扣除。

1000仪表币与等级在可以不用满足,但最终截止日必须满足条件即可

2019/5/25 15:00后注册的用户升级 不算,这一条是必须的



参与的仪友,直接回复 需要的型号即可。

最终截止日会将参与的仪友,按在线时长排序,选取前面满足要求的仪友进行赠送
排名并列时,按参与时间先后,选取获赠仪友。


赠送名单
巍巍兴安   ZT-QB4
5453007  zt一qb3
aping365 ZT-QB4
wgsd    QB4
光速飞行 ZT-QB4
fslichong zt-qb4
勇闯沙滩 ZT-QB4
锐意如风 ZT-QB3
eveffort QB4
wgh1027 ZT-QB4
散淡021 ZT-QB4
Yob ZT-QB4
星星123 ZT-QB4
hymyfzgs QB4
白不分 ZT-QB4
SG830 ZT-QB4
糊涂周 ZT-QB4
chen131578  ZT-QB4
snowrose2000 ZT-QB4
veteran ZT-QB3.
jtszwj ZT—QB4
llssr ZT-QB4
ynqjzzh ZT-QB4

仪表币不足名单(购买可优惠)
策马奔腾123
fankai

QQ图片20190525120521.jpg
IMG_9383.jpg

IMG_9401.jpg

IMG_9571.jpg

IMG_9450.jpg
IMG_9458.jpg
IMG_9486.jpg
IMG_9507.jpg
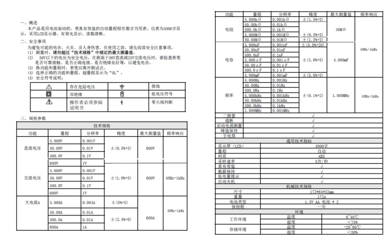
ZT-QB1



ZT-QB1.png

ZT-QB3-CN



ZT-QB4-CN
ZT-QB4-CN.png




以下程序自动插入未在内容中添加的图片或附件
IMG_9400.jpg
IMG_9537.jpg
ZT-QB3-CN.png
收藏
送赞
分享

发表回复

评论列表(37)

kyhwhb 数字大神 2019-5-25 14:54:23
需要ZT-QB4 钳型万用
2019-5-25 14:54:23 回复

点评

仪表币,不够1000 ,到截止日时,抓紧补上即可 
2019-5-25 14:55
5453007 数字探长 2019-5-25 15:27:03
想要zt一qb3。可能我的币不够
2019-5-25 15:27:03 回复

点评

从现在开始,可以用不同方式获取仪表币啊 
2019-5-25 16:03
aping365 数字大师 2019-5-25 17:47:56
想要一个ZT-QB4 钳型万用表
2019-5-25 17:47:56 回复

点评

仪表币这些日子增加,到时就可以排名了 
2019-5-25 17:49
wgsd 数字大神 2019-5-25 19:12:17
论坛好事不断,真是一波接一波。
非常好的钳表,逆补了万用表的交流大电流测试,而且更安全。
报名一个QB4(红色漂亮),能否拥有不重要,重在参入。
2019-5-25 19:12:17 回复
光速飞行 数字大神 2019-5-25 19:34:11
有好野,我也得要一个,ZT-QB4 好野,好野.......得与不得先争取先一个!
2019-5-25 19:34:11 回复
fslichong 数字王者 2019-5-25 19:54:48
要zt-qb4
2019-5-25 19:54:48 回复
勇闯沙滩 数字大神 2019-5-25 19:56:43
要ZT-QB4 钳型万用表。
2019-5-25 19:56:43 回复
锐意如风 数字探长 2019-5-25 21:39:04
不知这几款都有什么区别,似乎4比3多了温度,大家都要4,我用不到温度,就要ZT-QB3好了。
2019-5-25 21:39:04 回复
eveffort 数字精灵 2019-5-26 00:11:59
想要QB4,可惜仪表币不够。
2019-5-26 00:11:59 回复
wgh1027 数字大神 2019-5-26 01:01:58
我要 ZT-QB4 钳型万用表。
2019-5-26 01:01:58 回复
散淡021 数字大神 2019-5-26 06:38:07
报名要个ZT-QB4
2019-5-26 06:38:07 回复
Yob 数字梦想家 2019-5-26 07:39:42
报名一个 ZT-QB4 钳型万用表
2019-5-26 07:39:42 回复
星星123 数字精灵 2019-5-26 09:16:57

报名要个ZT-QB4钳型万用表
2019-5-26 09:16:57 回复
hymyfzgs 数字大师 2019-5-26 09:23:41
想要QB4,可惜仪表币不够
2019-5-26 09:23:41 回复

点评

现在不够没事,截止日前补上。 
2019-5-26 10:25
策马奔腾123 数字斗士 2019-5-26 10:10:53


报名要个ZT-QB4钳型万用表
2019-5-26 10:10:53 回复
白不分 数字大师 2019-5-26 18:21:42
报名要个ZT-QB4钳型万用表
2019-5-26 18:21:42 回复
SG830 数字梦想家 2019-5-26 20:31:37
报名要个ZT-QB4钳型万用表
2019-5-26 20:31:37 回复
糊涂周 数字精灵 2019-5-27 13:47:17
报名排队ZT-QB4 钳型万用表
2019-5-27 13:47:17 回复
chen131578 数字精灵 2019-5-27 15:20:38
chen131578 发表于 2019-5-27 14:57
预先报名,

这段时间正在看钳表,最后交直流的。

ZT-QB4
2019-5-27 15:20:38 回复
12下一页