温州500万用表,表针震荡维修

发表于:2019-4-28 14:16:03 8318
万用表
主题类别: 维修
仪表品牌: 其它品牌
显示方式: 指针
型号或关键字: MF500

登录后可查看大图

您需要 登录 才可以下载或查看,没有账号?立即注册

x
      前几天,在隔壁论坛花了45元买了一块位置1985年的指针表,原贴测评图无,只是说明量程偏高。看了下外观怪新,只是内部两个线绕电阻颜色发暗,就买了回来。到手实用,发现除了测量值偏大外,重点是指针指针来回摆动一段时间才停下。中奖了,传说中的表针震荡。

      以前自己的精益47表 出现过类似现象,调换焊接表头并联的电容二极管,又调校档位开关问题解决。

      根据专家经验,主要两处问题:1、表头并联的电容。2、表头并联的回路开路。

      看了下并联的电容外壳并不光滑象失容的样子,还有电流档1mA档675Ω电阻和电阻档973Ω电阻变色,但未发黑不像坏的样子。由于不想动烙铁,来回转动开关试试,右边的开关晃动不稳定,确实有接触不良现象,先清洗两个转换开关,后把有表旋钮上紧,保证开关接触良好。问题无解决。

      看了下原理图,50uA 测量电路,直流电压各档位测量简图,没发现有表头的并联环路。于是找个10uF的电容并在原表头电容处,故障依旧,焊下测量原电容值基本正常,于是又换回去。

1.png



2.png


      至此陷入思路死局。原理图也没看分出所以然,于是用笨方法,拿来众仪M0,用AUTO档测电阻,先是电流档的线绕电阻(中排),从左到右测量(见下图)到测至第4个电阻时发现开路,虽然比左边的暗淡,外观不像坏的样子,焊接也饱满,由于焊点表面氧化,于是测焊点内的铜锚点还是不通;干脆又测了测下面的线绕也不通,回测左面的均无问题;心里沉了下来,潜意识中最怕出现的问题出现了。

6.jpg

(图中两色环:用福禄克85-3配的:一个674欧姆,一个984欧姆)

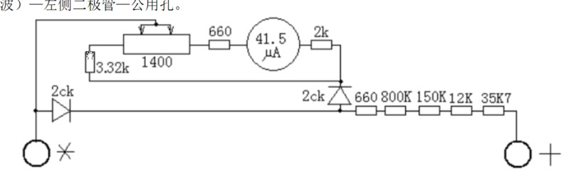
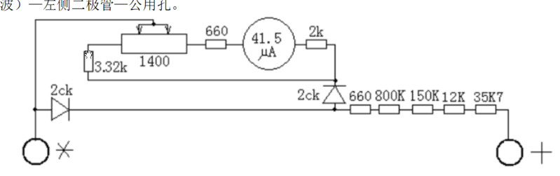
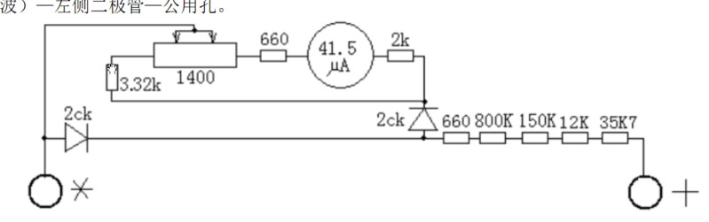
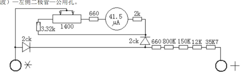
问题找到了,回头再看原理图:

500型万用表电路图.jpg


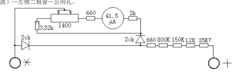
      仔细查看电流档原理,发现1mA 触点,下面通过675/67.5/6/1.5——表笔伏孔。上面直接接2.25K/12K——表头 1400Ω双调电位器中点——表笔伏孔。原来这部分始终是与表头并联的!走了这么些弯路,都怪自己看图不明。回头再细看各部分原理特别是1mA部分。电流回路表头的并联关系一目了然。

3.png


      焊下两个线绕,在放大镜下也没看到哪里与断头,放弃。用福禄克85-3,在680Ω五环堆里挑了个674Ω的代还1mA处的675欧姆电阻。在1K五环堆里挑了984Ω的代还100Ω档的973Ω电阻。试用表针摆动正常。

      用论坛购买的VAR-1819,A0001号基准,调50uA量程,25uA偏1格多,50uA偏1格多。调整表头的双调右边动点到右边还差半格,反正已经修理了,看原理图索性把串在表头负端的电阻有1K也有660欧姆、510欧姆的(可能配的表头内阻不同)。温州的这个配的是1.3K电阻,找了的老620欧姆的(实测610欧姆)替换下原1.3K的电阻(会影响其他量程的精度)。实测50uA量程,中心点和满量程均有少提高。差约一线吧。想不清楚了。

      测交流电压与众仪M0相比误差较大。一不做二不休,接着调整表头双调左动点到左端,12V伏电压12.7V的样子,24V电压26.5V的样子,算了下误差5%,还算行吧。230V市电265V左右,还是高,误差15%多。什么原因引起的交流250/500测量偏高?测了二极管后的俩电阻无问题。交流250V档的800K电阻没量,表已经上好了。

4.png



5.png



6.png


      至此,想起以前无论买的贵阳18表还是上四500表、包括自己的上海精益47都有测市电偏高的问题(对比真有效值比较的),不过都调好了。直流正常,测交流偏高可能与交流档的设计精度也有关系,但新表绝对超不了这么多,并且误差有正也有负才正常。
      问题:象这种老表,交流电压档偏高的问题应该还有元件有隐形问题没找到。估测下是否整流滤波电容年久性能变差引起的?或者纯粹是调整电位器触点氧化接触不良引起,还是其他?
  
小思:

      引起维修弯路的原因有二:首先,500表原理图没吃透,没看到电流量程始终是与表头并联的;其次,经验不足占很重要的部分,撂了接近20年又拾起来头脑僵化了,知识积累不够,思维不灵活,买时就怀疑俩线绕,维修时首先应考虑到它们;还有侥幸心理作祟,潜意识里希望俩线绕是好的,影响的判断。



收藏
送赞
分享

发表回复

评论列表(12)

人艰不拆 数字王者I 2019-4-28 15:24:37
哈哈,我对这些老表咋就没感情呢
2019-4-28 15:24:37 回复
人艰不拆 数字王者I 2019-4-28 15:25:26
拿着怕把指针晃弯了
2019-4-28 15:25:26 回复
chen131578 楼主     数字精灵G 2019-4-28 15:42:37
人艰不拆 发表于 2019-4-28 15:25
拿着怕把指针晃弯了

是的,因为人老也怀旧了,以前500买不起的。
2019-4-28 15:42:37 回复
光速飞行 数字大神J 2019-4-28 16:05:13
本帖最后由 光速飞行 于 2019-4-28 16:06 编辑

这个500型表,到手,最好是先测量表头电流,42uA电流,看看是否正常,正常的话表头无问题,然后再测50uA电流,中间值和满偏值电流,如果正常,一般问题不大,其它档位都是小问题了。
2019-4-28 16:05:13 回复
kyhwhb 数字大神J 2019-4-28 16:14:15
外磁表头老500型不多见了
2019-4-28 16:14:15 回复
光速飞行 数字大神J 2019-4-28 16:19:32
本帖最后由 光速飞行 于 2019-4-28 16:21 编辑
巍巍兴安 发表于 2019-4-28 16:14
外磁表头老500型不多见了

老500型表,最多就是外磁表头的,现在上四还大量生产。
2019-4-28 16:19:32 回复
chen131578 楼主     数字精灵G 2019-4-28 16:49:09
光速飞行 发表于 2019-4-28 16:05
这个500型表,到手,最好是先测量表头电流,42uA电流,看看是否正常,正常的话表头无问题,然后再测50uA电 ...

断线测量表针不稳定,当时用的20uA还是40uA恒流想不清了。感觉显示应该大于实际值的。具体多少没细看。

调到底了还不满度,估计表头有些失磁。
2019-4-28 16:49:09 回复
勇闯沙滩 数字大神J 2019-4-28 18:08:52
巍巍兴安 发表于 2019-4-28 16:14
外磁表头老500型不多见了

在我们这旧物市场老500型经常看到,但是表头坏的多,基本都是外磁表头。
2019-4-28 18:08:52 回复
人艰不拆 数字王者I 2019-4-28 18:39:02
chen131578 发表于 2019-4-28 15:42
是的,因为人老也怀旧了,以前500买不起的。

哈哈,那估计您50-60岁了
2019-4-28 18:39:02 回复
chen131578 楼主     数字精灵G 2019-4-28 18:43:26
人艰不拆 发表于 2019-4-28 18:39
哈哈,那估计您50-60岁了

50多了,上世纪90年代,一个月工资还不到一百。对比现在要4000多元了,估计现在用一个月的工资买表的也不多。
2019-4-28 18:43:26 回复
光速飞行 数字大神J 2019-4-28 19:29:22
chen131578 发表于 2019-4-28 16:49
断线测量表针不稳定,当时用的20uA还是40uA恒流想不清了。感觉显示应该大于实际值的。具体多少没细看。

...

一定要用50uA档,测量电流也得用50uA电流,然后拆开表头线串接电流表微安档,测量表头灵敏度电流大约40-42uA电流。
2019-4-28 19:29:22 回复
chen131578 楼主     数字精灵G 2019-4-28 19:52:35
光速飞行 发表于 2019-4-28 19:29
一定要用50uA档,测量电流也得用50uA电流,然后拆开表头线串接电流表微安档,测量表头灵敏度电流大约40-4 ...

明白了,在线测量50uA档位时的表头电流。
2019-4-28 19:52:35 回复