一个测试led数码显示模块的电路仿真

发表于:2019-9-15 08:55:34 2583
电子电路
技术类别: 电路设计
关键字: 测试led数码显示模块

登录后可查看大图

您需要 登录 才可以下载或查看,没有账号?立即注册

x
连线太多,不想制作了,谁能简化一下就好了
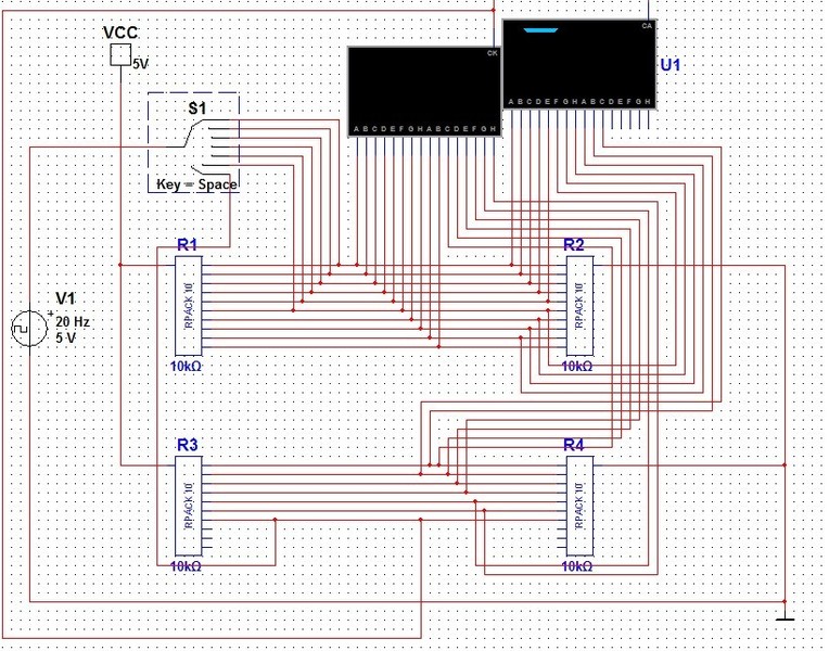
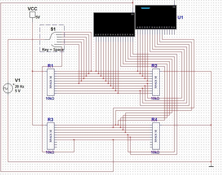
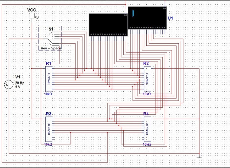
原理倒是很简单,用阻排把led模块各个引脚电位设置到电池的中间点
然后用一个方波来探测各个接点,这时无论共阴还是共阳的led相应的笔画都会闪动
如果接触的是共阴或者共阳的公共引脚,整个数字符就会闪动

一般led模块就是20脚最多了,用这个夹持比较方便

阿里旺旺图片20190915083738.jpg

用这个阻排比较省事,这些都有,就是连线较多
阿里旺旺图片20190915083808.jpg

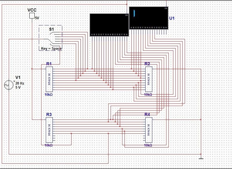
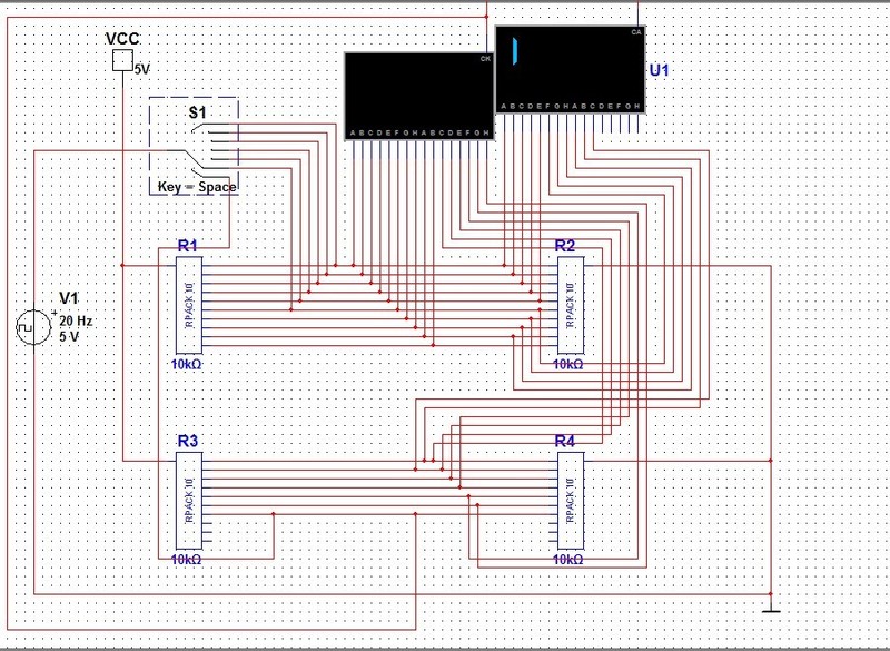
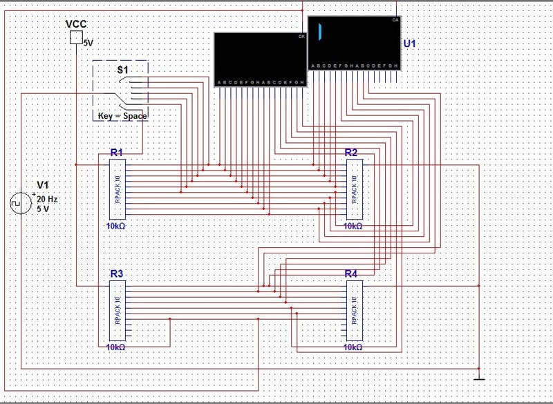
电路图如下


图里两个模块是一个共阴一个共阳的,可见方波接触第一点
第二个字符的a笔画闪动
阿里旺旺图片20190915083506.jpg

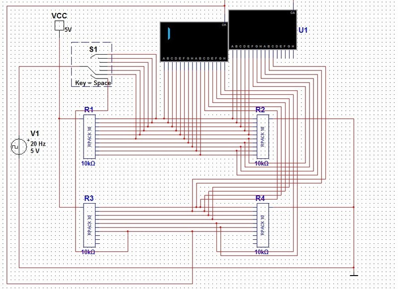
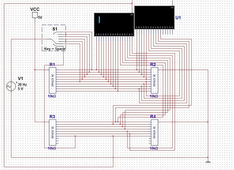
共阴与共阳交替闪动,
阿里旺旺图片20190915083515.jpg

同样的f笔画情况
阿里旺旺图片20190915083530.jpg

阿里旺旺图片20190915083539.jpg

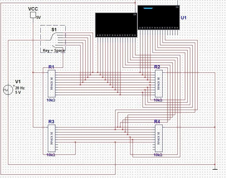
这是方波探针接触到了led模块的公共电极,整个led模块闪动
因为它就一个公共极,有的是几个公共极的,一个字符一个
阿里旺旺图片20190915083423.jpg

阿里旺旺图片20190915083446.jpg

欢迎大家来改进与探讨

收藏
送赞
分享

发表回复

评论列表(7)

光速飞行 数字大神J 2019-9-15 09:32:53
本帖最后由 光速飞行 于 2019-9-15 09:35 编辑

这样子的做法,只能测量几种型号,如果用单片机做的话,全世界的型号都行。
2019-9-15 09:32:53 回复
人艰不拆 楼主     数字王者I 2019-9-15 09:49:00
光速飞行 发表于 2019-9-15 09:32
这样子的做法,只能测量几种型号,如果用单片机做的话,全世界的型号都行。 ...

哈哈,不会单片机啊
2019-9-15 09:49:00 回复
光速飞行 数字大神J 2019-9-15 09:50:05
人艰不拆 发表于 2019-9-15 09:49
哈哈,不会单片机啊

不会学啊
2019-9-15 09:50:05 回复
人艰不拆 楼主     数字王者I 2019-9-15 10:55:24

学不会啊
2019-9-15 10:55:24 回复
光速飞行 数字大神J 2019-9-15 12:13:08

最好的办法,不用,哈哈
2019-9-15 12:13:08 回复
kyhwhb 数字大神J 2019-9-15 16:35:03
有时间有精力慢慢做
2019-9-15 16:35:03 回复
星星123 数字精灵G 2019-9-15 21:29:50
从字里看楼主,心还不够静,急欲求成,不可
  应该边学边做,才能解决问题
2019-9-15 21:29:50 回复