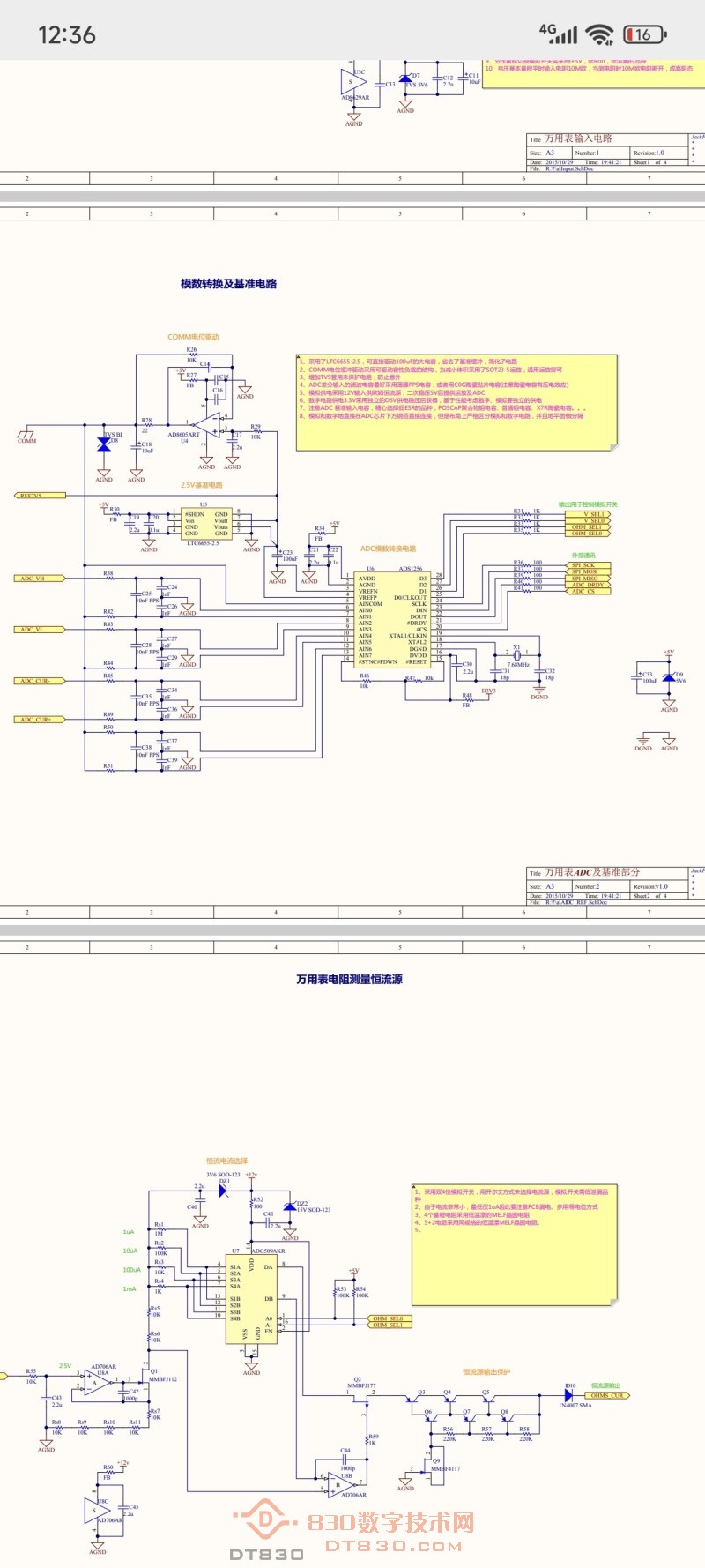
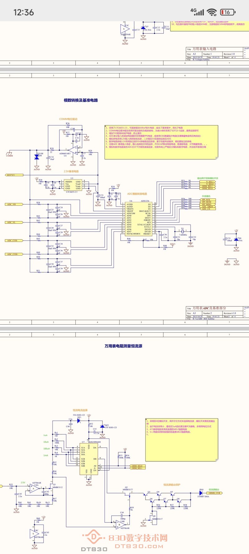
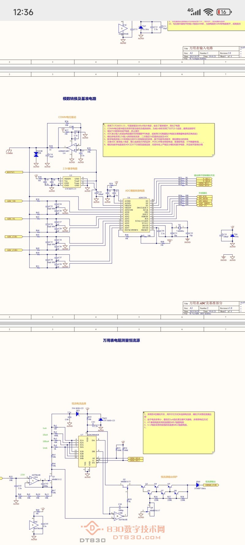
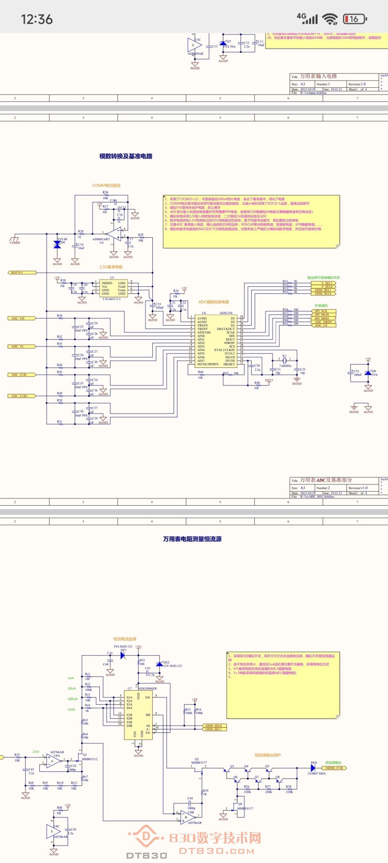
5.5万用表电路图搬运

发表于:2025-8-10 12:37:45 610
万用表
主题类别: 资料_电路图
仪表品牌: 其它品牌
显示方式: 五位半
型号或关键字: -

评分

参与人数 1仪表币 +50 收起 理由
43545 + 50 赞一个!

查看全部评分总评分 : 仪表币 +50

发表回复

评论列表(2)

喜欢就好 数字巨人H 2025-8-11 22:17:25
楼主辛苦了!
2025-8-11 22:17:25 回复
练习两坤半 楼主     数字梦想家E 2025-8-13 06:12:16
喜欢就好 发表于 2025-8-11 22:17
楼主辛苦了!

谢谢😊😊😊
2025-8-13 06:12:16 回复