求MF19型指针万用表电路图

发表于:2018-8-28 20:06:42 4243
万用表
主题类别: 资料_电路图
仪表品牌: 其它品牌
显示方式: 指针
型号或关键字: MF19型指针万用表

登录后可查看大图

您需要 登录 才可以下载或查看,没有账号?立即注册

x
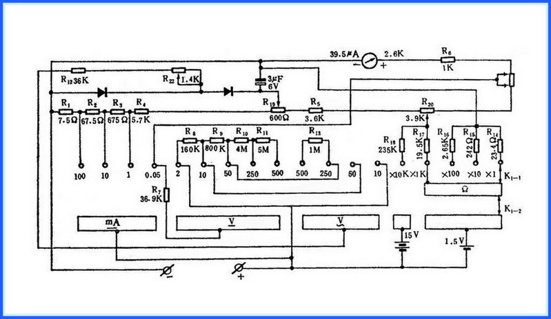
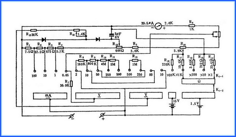
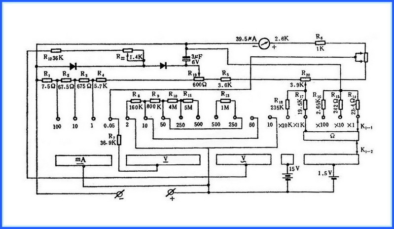
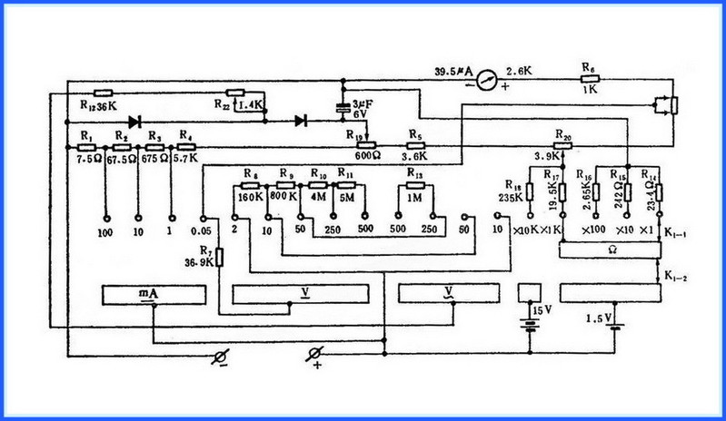
MF19型指针万用表,拆开后看到板上右侧有一个线绕电阻已烧糊,附近电阻分别是242欧-235欧-(烧糊电阻)-79.8欧-674欧。求烧糊电阻阻值,电流档用的,否则各档都不能测试。奇了怪了,网上搜了两天楞是没找到电路图。看来资料很重要。
20180828_193322.jpg
表的功能少电阻也少的可怜。
20180828_193338.jpg
线绕电阻烧的挺严重。


                               
登录/注册后可看大图

表还是挺新的。
收藏
送赞
分享

发表回复

评论列表(11)

闻雨听风 数字王者 2018-8-28 20:51:20
一会我回家给你发一张电路图。
2018-8-28 20:51:20 回复
闻雨听风 数字王者 2018-8-28 21:09:58
刚看了那个电阻是7.5Ω。一会拍照片,有两本书上都有19表的资料。
2018-8-28 21:09:58 回复
闻雨听风 数字王者 2018-8-28 22:33:47
电路图、各档明细图、元件位置图及元件参数列表如下:


01.jpg


02.jpg


03.jpg

04.jpg


2018-8-28 22:33:47 回复

评分

参与人数 1金钱 +10 +10 仪表币 +2 收起 理由
勇闯沙滩 + 10 + 10 + 2 赞一个!

查看全部评分总评分 : 金钱 +10 +10 仪表币 +2

闻雨听风 数字王者 2018-8-29 01:23:43
另外网上可以搜到19型表的电路的,只不过很多个网站都是用的一张图,下面的图是网上的原图和我去掉水印,简单修了一下的图。


MF19万用表网上原图.jpg


0001.jpg

2018-8-29 01:23:43 回复

评分

参与人数 1金钱 +10 +10 仪表币 +10 收起 理由
43545 + 10 + 10 + 10 很给力!用心帮仪友解决问题

查看全部评分总评分 : 金钱 +10 +10 仪表币 +10

勇闯沙滩 楼主     数字大神 2018-8-29 06:34:52
闻雨听风 发表于 2018-8-28 22:33
电路图、各档明细图、元件位置图及元件参数列表如下:

太谢谢了,你还有这么老的书。经比对实物表与你的图一模一样,太详细了,还有安装位置及元件数据表,在别的论坛也不一定能有这么详细的资料,赞一个。
2018-8-29 06:34:52 回复
43545 管理员 2018-8-29 07:44:20
http://www.dt830.com/thread-2397-1-1.html
这是MF19万用表图,看是不是你要的

                               
登录/注册后可看大图
2018-8-29 07:44:20 回复
勇闯沙滩 楼主     数字大神 2018-8-29 09:05:23
43545 发表于 2018-8-29 07:44
http://www.dt830.com/thread-2397-1-1.html
这是MF19万用表图,看是不是你要的

谢老大百忙中给找资料,正是这个电路图,搜狗和百度找了两天没找到,过后缠个7.5欧开始调修这个表。
2018-8-29 09:05:23 回复
闻雨听风 数字王者 2018-8-29 09:22:37
勇闯沙滩 发表于 2018-8-29 06:34
太谢谢了,你还有这么老的书。经比对实物表与你的图一模一样,太详细了,还有安装位置及元件数据表,在别 ...

不客气,能够帮到坛友,我也很开心。
2018-8-29 09:22:37 回复
闻雨听风 数字王者 2018-8-29 09:26:51
43545 发表于 2018-8-29 07:44
http://www.dt830.com/thread-2397-1-1.html
这是MF19万用表图,看是不是你要的

谢谢斑竹加分!
2018-8-29 09:26:51 回复
chen131578 数字精灵 2018-8-29 20:03:57
闻雨听风 发表于 2018-8-28 22:33
电路图、各档明细图、元件位置图及元件参数列表如下:

资料详细。
2018-8-29 20:03:57 回复
闻雨听风 数字王者 2018-8-29 21:38:39

手里有几本万用表的图集,需要的话请说话,一定尽力帮忙。
2018-8-29 21:38:39 回复