指针万用表的私人订制

发表于:2020-8-15 18:15:39 5481
万用表
主题类别: 制作_改装
仪表品牌: 其它品牌
显示方式: 指针
型号或关键字: MF368

登录后可查看大图

您需要 登录 才可以下载或查看,没有账号?立即注册

x
本帖最后由 糊涂周 于 2020-8-15 23:25 编辑

指针万用表的私人订制
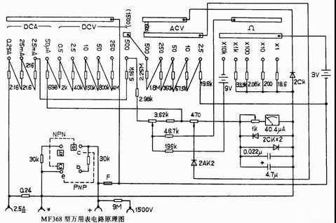
疫情封闭在家,翻出个MF368指针万用表,电阻档3V可以点亮LED,精度还不错。2mm的表笔与现在的4mm莲花头不兼容,不很方便。直流电压档与现在自己最常用范围不太合适。都改改好了。找到电路图,分析计算后需要50k,100k,300k,500k,1m电阻各一。用5位半台表精心筛选,4mm的插座两只。焊接安装完毕,档位合适自己,表笔变为4mm通用款,一个私人订制的指针表完工了。

以下程序自动插入未在内容中添加的图片或附件
01.jpg
03.jpg
04.jpg
05.jpg
06.jpg
07.jpg
08.jpg
收藏
送赞
分享

发表回复

评论列表(13)

hc061218 数字王者I 2020-8-15 18:40:48
高手啊,我是一脸懵逼
2020-8-15 18:40:48 回复
tiger20908 数字梦想家E 2020-8-15 19:34:37
哈哈。太棒了!
2020-8-15 19:34:37 回复
斩风 数字奇才B 2020-8-15 19:44:25
这不算自制吧,见过自制的表盘都是自己画上去的
2020-8-15 19:44:25 回复
chen131578 数字精灵G 2020-8-15 19:48:52
{:9001:}私人定制款,收藏价值要打折扣了。
2020-8-15 19:48:52 回复
闻雨听风 数字王者I 2020-8-15 23:11:25
谢谢分享,坛主不是说不让别的论坛的水印出现在本坛,我无聊就把水印抹了
02.jpg



2020-8-15 23:11:25 回复
糊涂周 楼主     数字精灵G 2020-8-15 23:25:04
闻雨听风 发表于 2020-8-15 23:11
谢谢分享,坛主不是说不让别的论坛的水印出现在本坛,我无聊就把水印抹了

谢谢,有劳了
2020-8-15 23:25:04 回复
kyhwhb 数字大神J 2020-8-16 05:34:46
一直在用MF368指针万用表,有十多年了
2020-8-16 05:34:46 回复
人艰不拆 数字王者I 2020-8-16 09:40:33
指针万用表的私人订制
2020-8-16 09:40:33 回复
布衣菜饭 数字斗士C 2020-8-16 11:59:33
368有8条刻度线啊?好表
2020-8-16 11:59:33 回复
欧米伽阻抗 数字梦想家E 2020-8-17 10:35:06
MF368万用表,我1991年购买了一块,一直使用至今。精度一直保持,就是电阻调零电位器有点接触不良。
2020-8-17 10:35:06 回复
wgh1027 数字大神J 2020-8-17 14:15:00
感觉没必要改。
2020-8-17 14:15:00 回复
wgh1027 数字大神J 2020-8-17 15:16:33
贴张另一画法的图纸
以下程序自动插入未在内容中添加的图片或附件
IMG_20200817_151112.jpg
2020-8-17 15:16:33 回复
喜欢就好 数字巨人H 2020-10-11 23:41:58
用色环电阻的是后期产品,这表一般,谢谢分享!
2020-10-11 23:41:58 回复