12
返回列表 发新帖

LED数码管替换VFD屏了

wgsd 楼主     数字大神J 2023-2-24 22:04:27
chengxuan 发表于 2023-2-24 21:20
加两个DC-DC模块会不会影响整机噪声电压?

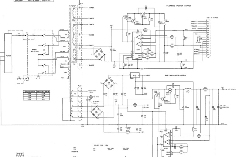
该机本身也有两个DC-DC电源,分别给两个单片机提供降压到5V的电源。

opp2.png
2023-2-24 22:04:27 回复
wgh1027 数字大神J 2023-2-25 22:48:31
真牛   
2023-2-25 22:48:31 回复
zhangwj98 数字精灵G 2023-2-27 21:19:34
感觉非常美。
2023-2-27 21:19:34 回复
wgh1027 数字大神J 2023-3-2 21:46:00
完美     
2023-3-2 21:46:00 回复
tpy 数字探长D 2023-3-4 08:32:06
八位半,真漂亮.
2023-3-4 08:32:06 回复
MF500 数字探长D 2023-3-7 21:05:55
谢谢分享
2023-3-7 21:05:55 回复
wgh1027 数字大神J 2023-3-7 21:39:04
漂亮   
2023-3-7 21:39:04 回复
冀小巍 数字奇才B 2023-3-10 13:47:07
真漂亮!好手艺!
2023-3-10 13:47:07 回复
12