将MF47C指针万用表改电池电压为2.4V+15V

发表于:2018-11-26 21:34:27 11206
万用表
主题类别: 制作_改装
仪表品牌: 其它品牌
显示方式: 指针
型号或关键字: MF47

登录后可查看大图

您需要 登录 才可以下载或查看,没有账号?立即注册

x
指针表已经被数字表逐渐淘汰,但是指针表的某些功能数字表要想代替还是不容易的,特别是测量三极管,稳压管等等数字表就先天不足,用指针表的话就好得多了。而新出的47型指针表高压电池只有9V测量稳压管依然不好使。尝试将我的MF47C改为2.4V加15V电池供电,尽量将指针表性能更好发挥。
用2.4V电池是考虑万用表电压刻度是250分度,用两个1.2V的镍镉或镍氢电池串联刚好是2.5V左右,这样读LV刻度用电压刻度反过来读就成。15V电池不好买我就用5个CR1220电池代替,10K档电流不大用CR1220电池容量足够,有动手能力用升压板也是不错的。电池安装问题由于里面空间足够,想怎么改就随意了。
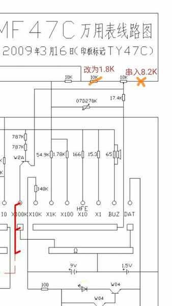
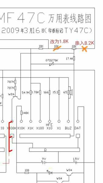
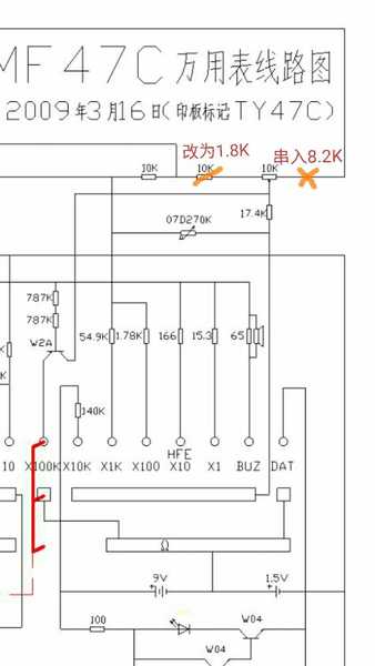
电压增加后还要改动调零电位器的接线。电路图中电位器左边的10K电阻分成两个(1.8K+8.2K),用1.8K代替原来的10K电阻,8.2K串进电位器右边电路,如图所示。





改动后测量可控硅,晶体管,发光管稳压管等等元器件就方便得多了。

收藏
送赞
分享

评分

参与人数 2金钱 +7 仪表币 +7 收起 理由
官修 + 2 + 2 赞一个!
巍巍兴安 + 5 + 5 很给力!

查看全部评分总评分 : 金钱 +7 仪表币 +7

发表回复

评论列表(11)

wgh1027 楼主     数字大神J 2018-11-26 21:40:43
奇怪手机传图怎么看不见了呢?
2018-11-26 21:40:43 回复
wgh1027 楼主     数字大神J 2018-11-26 22:07:38
图图图

MF47C原理图

MF47C原理图


调零电位器改动一下

调零电位器改动一下


原电池位置

原电池位置


改后电池位置

改后电池位置



新加的1.8K电阻

新加的1.8K电阻


新加的8.2K电阻

新加的8.2K电阻


用CR1220做15V电池

用CR1220做15V电池


15V电池做法

15V电池做法



2018-11-26 22:07:38 回复
wgh1027 楼主     数字大神J 2018-11-26 22:16:06
继续1K档空载电压


MF47C改1K档空载电压.jpg

10K档空载电压

MF47C改10K档空载电压.jpg

100K档空载电压

MF47C改100K档空载电压.jpg



2018-11-26 22:16:06 回复
刘大大 数字梦想家E 2018-11-26 22:24:22
15v可控硅可以触发了
2018-11-26 22:24:22 回复
wgh1027 楼主     数字大神J 2018-11-26 22:51:35
刘大大 发表于 2018-11-26 22:24
15v可控硅可以触发了

15V提供电流不大触发可控硅能力有限,2.4V可以提供较大的电流测量可控硅触发及保持才可靠。
2018-11-26 22:51:35 回复
kyhwhb 数字大神J 2018-11-27 08:28:50
指针表也一直在用,型号MF368----电阻档为两节AA+一节9V电池供电。
2018-11-27 08:28:50 回复
atz123 数字王者I 2018-11-27 09:05:43
巍巍兴安 发表于 2018-11-27 08:28
指针表也一直在用,型号MF368----电阻档为两节AA+一节9V电池供电。

这个表我也有,小巧好用,灵敏,精度也不错
2018-11-27 09:05:43 回复
atz123 数字王者I 2018-11-27 09:08:35
什么是高手,楼主就是,绝对是!!!
2018-11-27 09:08:35 回复
wgh1027 楼主     数字大神J 2018-11-27 15:34:02
atz123 发表于 2018-11-27 09:08
什么是高手,楼主就是,绝对是!!!

喜欢玩表而已,绝对不是高手。
2018-11-27 15:34:02 回复
kyhwhb 数字大神J 2018-11-28 08:14:38
atz123 发表于 2018-11-27 09:05
这个表我也有,小巧好用,灵敏,精度也不错

测可控硅、MOS管、电容充放电等我一直使用它
2018-11-28 08:14:38 回复
atz123 数字王者I 2018-11-28 08:36:47
巍巍兴安 发表于 2018-11-28 08:14
测可控硅、MOS管、电容充放电等我一直使用它

是,这表用两节五号电池,够触发,里面做工也不错,是我第一块表,好像八十多块钱买的。
2018-11-28 08:36:47 回复