众议ZT-300AB蓝牙万用表测30W LED灯管温升情况

发表于:2020-12-8 10:27:33 4377
万用表
主题类别: 资料_电路图
仪表品牌: 众仪(ZOYI)
显示方式: 6000字
型号或关键字: 众议ZT-300AB

登录后可查看大图

您需要 登录 才可以下载或查看,没有账号?立即注册

x



FSL T8 30W LED灯管长度120cm,采用AC220两端供电
1.jpg
端头参数信息
2.JPG
在灯管上下各装热电偶探头
3.JPG
用两个万用表测试一个多小时可见灯管下端温度一直没有突破34°C,上下温度相差近一倍
4.JPG
室温25°C左右,从温升曲线看上电四分钟灯管灯带处温度就达到60°C,其后一个多小时基本恒定在64°C左右
5.jpg
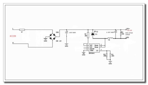
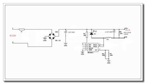
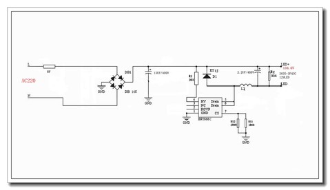
实绘的对应电路图
6.jpg
市电从180V--233V变化,而输出直流电压134V还是很稳定的
7.jpg
收藏
送赞
分享

发表回复

评论列表(10)

勇闯沙滩 数字大神J 2020-12-8 12:08:07
LED灯条在管里哪面算上面,带散热片那面吧。
2020-12-8 12:08:07 回复
wgsd 数字大神J 2020-12-8 12:42:26
下面的温度都被上升的气流带走了,内部温度满高的。
2020-12-8 12:42:26 回复
kyhwhb 楼主     数字大神J 2020-12-9 09:14:37
wgsd 发表于 2020-12-8 12:42
下面的温度都被上升的气流带走了,内部温度满高的。



采用FPC灯带硅胶贴在均光的玻璃管内壁,安装灯管时FPC灯带位于上面。



7.JPG
8.jpg
2020-12-9 09:14:37 回复
wgsd 数字大神J 2020-12-9 09:57:10
奥,是这样,我还以为是悬空在管子中间呢。
2020-12-9 09:57:10 回复
无极 数字梦想家E 2020-12-9 18:01:29
巍巍兴安 发表于 2020-12-9 09:14
采用FPC灯带硅胶贴在均光的玻璃管内壁,安装灯管时FPC灯带位于上面。

这玩意怎么拆?我用了一年半就烧糊了,寄回去保修得二十块,这玩意本身才十块钱
2020-12-9 18:01:29 回复
wgsd 数字大神J 2020-12-9 18:17:05
无极 发表于 2020-12-9 18:01
这玩意怎么拆?我用了一年半就烧糊了,寄回去保修得二十块,这玩意本身才十块钱 ...

主要是散热片的面积不够,还有灯珠的质量问题。我的一个12W镜前灯,一百几十元买的,已经9年多了,亮度没看出衰减。其它几个就不行了,两年不到,灯珠就自然老化、氧化坏掉了,包括基本不用的。
2020-12-9 18:17:05 回复
kyhwhb 楼主     数字大神J 2020-12-10 06:41:10
无极 发表于 2020-12-9 18:01
这玩意怎么拆?我用了一年半就烧糊了,寄回去保修得二十块,这玩意本身才十块钱 ...

什么品牌的,功率多少瓦?
2020-12-10 06:41:10 回复
kyhwhb 楼主     数字大神J 2020-12-10 07:57:45
无极 发表于 2020-12-9 18:01
这玩意怎么拆?我用了一年半就烧糊了,寄回去保修得二十块,这玩意本身才十块钱 ...

查一下驱动电路是否正常,灯珠应该没问题吧
2020-12-10 07:57:45 回复
kyhwhb 楼主     数字大神J 2020-12-10 08:06:50
无极 发表于 2020-12-9 18:01
这玩意怎么拆?我用了一年半就烧糊了,寄回去保修得二十块,这玩意本身才十块钱 ...

这个塑料端头鋸后分离的;有铝质的比较好拆。
以下程序自动插入未在内容中添加的图片或附件
141830mv4jwdl43f6vclju.jpg
2020-12-10 08:06:50 回复
无极 数字梦想家E 2020-12-10 12:54:31
巍巍兴安 发表于 2020-12-10 06:41
什么品牌的,功率多少瓦?

佛山照明的16W,坑爹玩意儿说保修三年,后两年自己出运费,
2020-12-10 12:54:31 回复