12
返回列表 发新帖

给5566s化化妆

wgsd 楼主     数字大神J 2025-11-4 17:39:59
本帖最后由 wgsd 于 2025-11-5 08:03 编辑
yida 发表于 2025-11-3 19:04
你好老哥。你说的众仪5566改完背光如果喜欢特高亮度,可以在为LED供电的8050三极管的基极电阻上,再并一个 ...

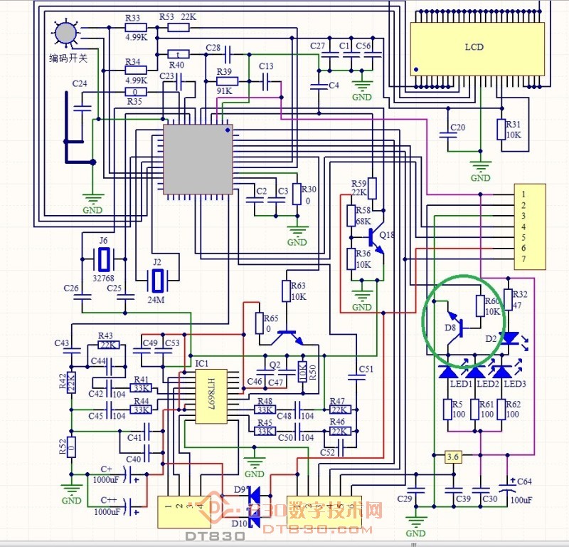
就图上这一个三极管供所有的发光管。

j.jpg

2025-11-4 17:39:59 回复
atz123 数字王者I 2025-11-4 19:33:46
漂亮!谢谢分享。
2025-11-4 19:33:46 回复
yida 数字小子A 2025-11-13 13:43:08
wgsd 发表于 2025-11-4 17:39
就图上这一个三极管供所有的发光管。

十分感谢,不过测试了几种阻值的电阻不知道是不是改了绿光的原因,似乎不是很明显,那就先这样用吧,感谢回答。
2025-11-13 13:43:08 回复
12