画张众仪ZT-922S万用表的电路图

发表于:2021-5-28 21:30:37 5189
万用表
主题类别: 资料_电路图
仪表品牌: 众仪(ZOYI)
显示方式: 四位半
型号或关键字: ZT-922ST

登录后可查看大图

您需要 登录 才可以下载或查看,没有账号?立即注册

x
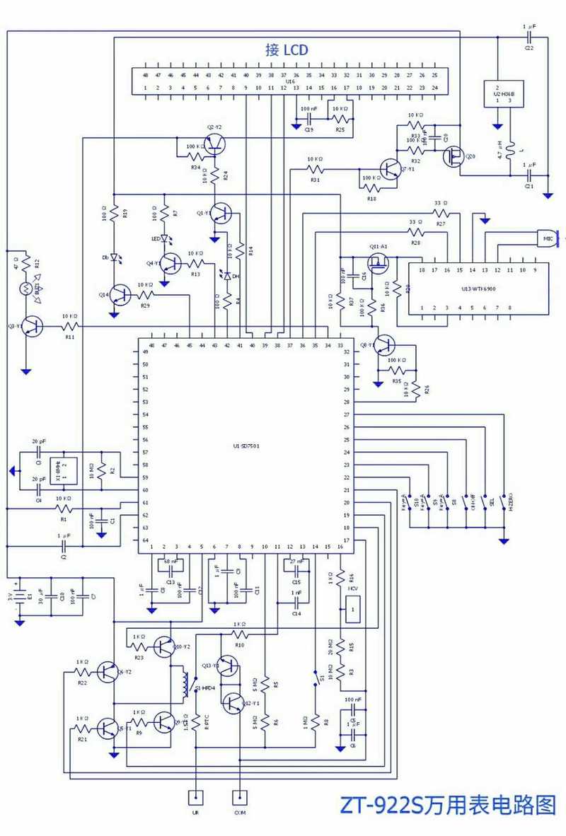
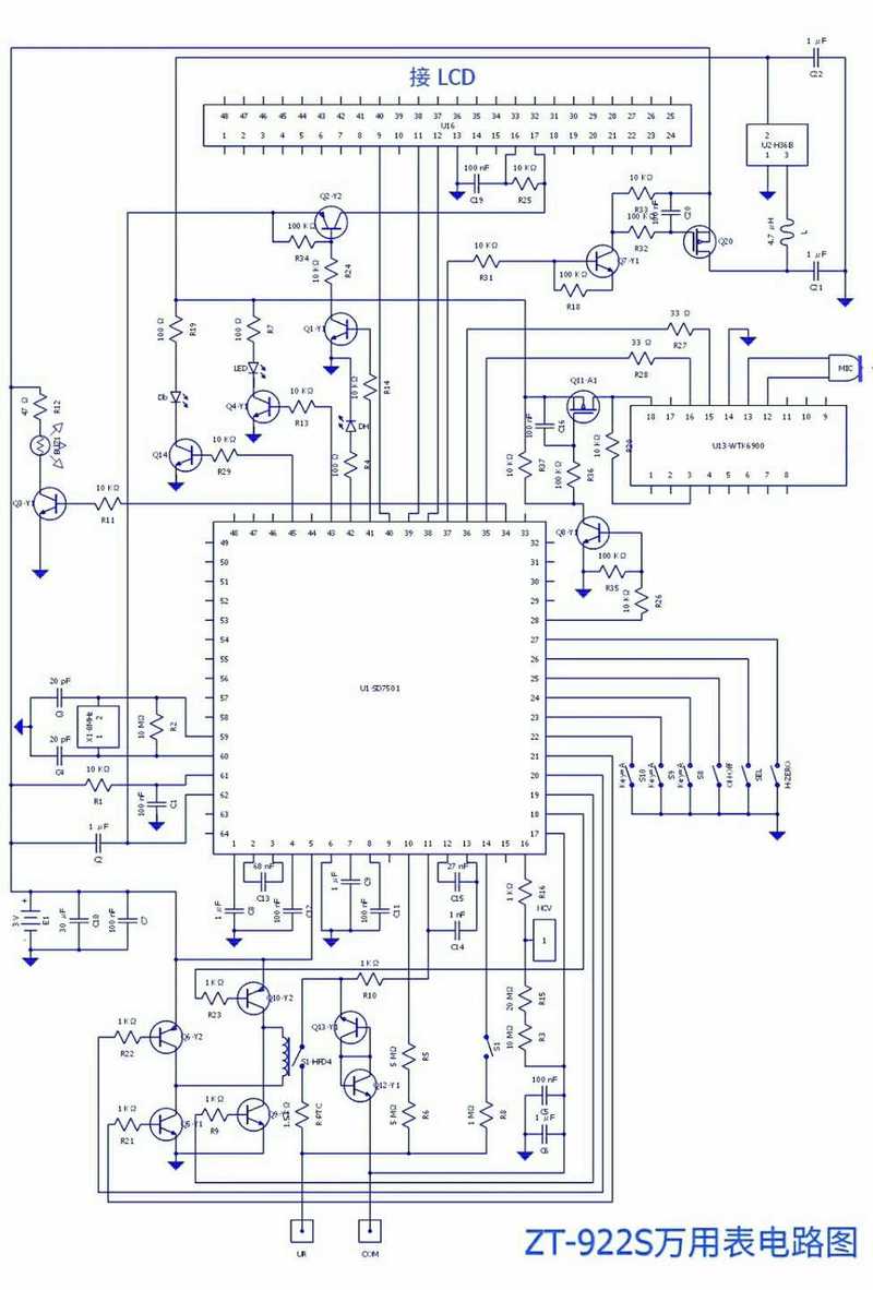
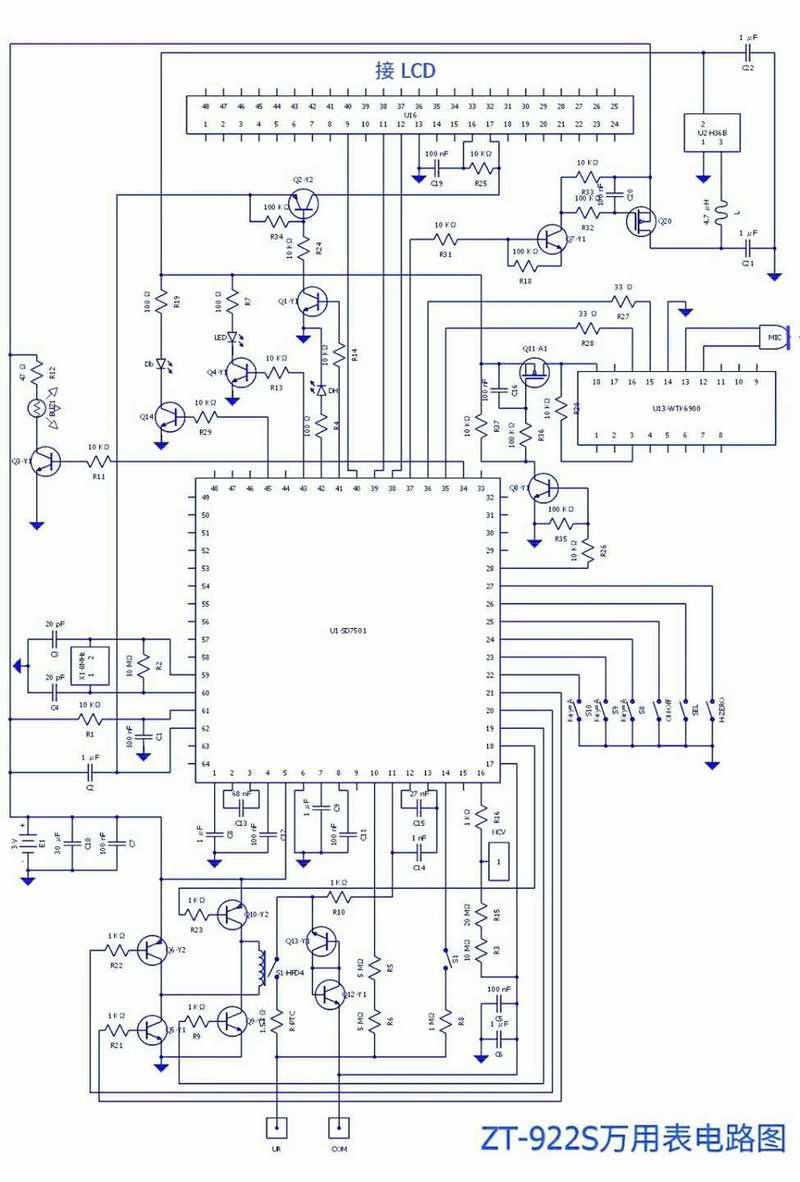
众仪ZT-922S万用表电路图,根据实物用手机画的,如有错漏概不负责。
以下程序自动插入未在内容中添加的图片或附件
IMG_20210528_205719.jpg
收藏
送赞
分享

评分

参与人数 1仪表币 +10 收起 理由
散淡021 + 10 赞一个!

查看全部评分总评分 : 仪表币 +10

发表回复

评论列表(27)

hc061218 数字王者I 2021-5-28 21:40:34
仰望大佬!牛逼
2021-5-28 21:40:34 回复
wgh1027 楼主     数字大神J 2021-5-28 21:41:21
将就着看
2021-5-28 21:41:21 回复
wgh1027 楼主     数字大神J 2021-5-28 21:42:49
ZT_922S万用表
IMG_20210528_213833.jpg
2021-5-28 21:42:49 回复
wgh1027 楼主     数字大神J 2021-5-28 21:46:05
hc061218 发表于 2021-5-28 21:40
仰望大佬!牛逼

喜欢就好
2021-5-28 21:46:05 回复
小小一棵葱 数字探长D 2021-5-28 21:48:18
怎么都有万用表啊!
2021-5-28 21:48:18 回复
13912217676 数字巨人H 2021-5-29 00:01:35
不错不错。谢谢分享。辛苦了!
2021-5-29 00:01:35 回复
勇闯沙滩 数字大神J 2021-5-29 06:30:13
能画出来万用表电路图的,都是万用表的实质专家。
2021-5-29 06:30:13 回复
wgsd 数字大神J 2021-5-29 07:13:02
谢谢分享,怎么看Q7没有用呢?
2021-5-29 07:13:02 回复
fslichong 数字王者I 2021-5-29 08:54:10
赶快研究这个表的电流档功能,赶快研究99999
2021-5-29 08:54:10 回复
yangsen 数字大师F 2021-5-29 10:02:06
牛人!用的什么APP?画的很好啊
2021-5-29 10:02:06 回复
wyl 数字梦想家E 2021-5-29 10:35:10
好技术。让大家受益了。
2021-5-29 10:35:10 回复
ksj197706 数字大师F 2021-5-29 12:03:09
谢谢分享,,,,
2021-5-29 12:03:09 回复
hobbya 数字大神J 2021-5-29 12:33:04
Q7大概画错了。
2021-5-29 12:33:04 回复
chen131578 数字精灵G 2021-5-29 12:35:17
谢谢楼主。
2021-5-29 12:35:17 回复
wgsd 数字大神J 2021-5-29 12:40:59

Q7的尾巴让楼主留下了。
2021-5-29 12:40:59 回复
wgh1027 楼主     数字大神J 2021-5-29 22:25:17
小小一棵葱 发表于 2021-5-28 21:48
怎么都有万用表啊!

哈哈,来仪表论坛咋能没有万用表呢
2021-5-29 22:25:17 回复
wgh1027 楼主     数字大神J 2021-5-29 22:25:50
13912217676 发表于 2021-5-29 00:01
不错不错。谢谢分享。辛苦了!

互相学习
2021-5-29 22:25:50 回复
wgh1027 楼主     数字大神J 2021-5-29 22:30:21
勇闯沙滩 发表于 2021-5-29 06:30
能画出来万用表电路图的,都是万用表的实质专家。

搬砖的  
2021-5-29 22:30:21 回复
wgh1027 楼主     数字大神J 2021-5-29 22:32:08
wgsd 发表于 2021-5-29 07:13
谢谢分享,怎么看Q7没有用呢?

谢谢指错
2021-5-29 22:32:08 回复
12下一页