只需一步,快速开始
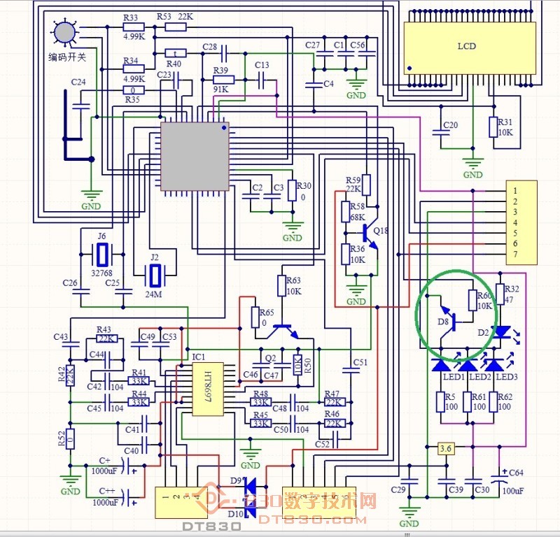
yida 发表于 2025-11-3 19:04 你好老哥。你说的众仪5566改完背光如果喜欢特高亮度,可以在为LED供电的8050三极管的基极电阻上,再并一个 ...
TA还没有介绍自己~