racal-dana1992频率计维修

发表于:2018-3-3 09:21:03 4018
仪器仪表 - 其它仪表
主题类别: 维修
仪表类型: 频率计
仪表品牌: 其它品牌
型号或关键字: racal-dana1992

登录后可查看大图

您需要 登录 才可以下载或查看,没有账号?立即注册

x
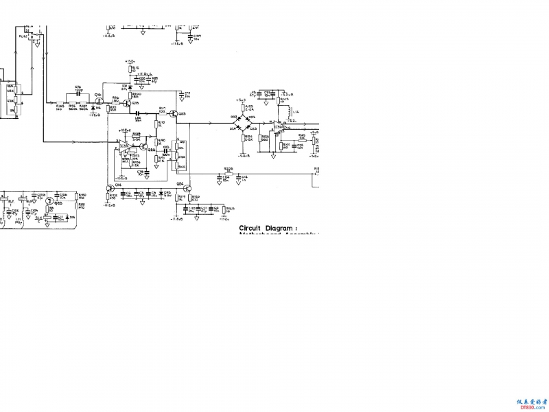
   在ZT219小表的测试中,本想用手中的一根二十几厘米的连接线,把1992频率计的B通道与信号发生器相连(B通道靠外端),可是摆好了设备频率计的B通道没有任何反应,开自检提示通道故障,无奈即刻拆机抢修。
首先检查了B通道的放大集成IC35(CA3140e),正负电源正常,两个输入端基本接近地电平,但输出脚却高达9.5V左右。正常应在零伏左右。最不希望的是集成坏,因没有热风枪,拆集成块太费事。
找来一只10K的电阻,将IC35正输入端与负电源触碰,测量其输出端,电压能够随即翻转,因此证明了IC35是好的。那么引起它输出高电压的唯一原因就是它的负极输入端电位太低,输出端的高电位没能反馈到负极输入端。
接着测量了连接IC35输出端的Q26, Q26的发射结电位成反偏(因为IC35输出的高电位),难道Q26坏了。断电测量Q26的正反结,却又是好的,再测量它的下级Q23,怎么Q23的集电结是开路的。因为Q23是贴片封装,测量的是与其相连的电阻端,这回直接测量它的管脚,的确不通。再仔细测测,居然通了。可能是焊点开路,用40倍的放大镜仔细观察,没发现有裂痕迹象。通电试机,恢复正常。为了稳妥避免再拆机的麻烦,决定找了只9014换上。因为换了管子,随即把可调R193和R150调校一遍。自此这个小插曲告一段落。供有此频率计的网友参考。
分析原因是因为热应力,导致管子的引脚与焊点或内部接触不良。
f1.jpg
f2.jpg
f3.jpg

收藏
送赞
分享

评分

参与人数 1金钱 +5 收起 理由
jsycwnw + 5 很给力!

查看全部评分总评分 : 金钱 +5

发表回复

评论列表(7)

勇闯沙滩 数字大神J 2018-3-3 09:34:22
ZT219已让你研究的淋漓尽致,以后修众仪表就是你的事了.
2018-3-3 09:34:22 回复
wgsd 楼主     数字大神J 2018-3-3 09:38:41
勇闯沙滩 发表于 2018-3-3 09:34
ZT219已让你研究的淋漓尽致,以后修众仪表就是你的事了.

啪啪的,八字没一撇,首次接触微处理器表。
2018-3-3 09:38:41 回复
veteran 数字梦想家E 2018-3-3 14:42:28
能人在仪表论坛!
2018-3-3 14:42:28 回复
jsycwnw 数字大师F 2018-3-9 07:52:26
玩转万用表,膜拜!
2018-3-9 07:52:26 回复
43545 管理员 2018-7-17 07:08:04
1992频率计 外观是什么样?
2018-7-17 07:08:04 回复
wgsd 楼主     数字大神J 2018-7-17 07:59:35
43545 发表于 2018-7-17 07:08
1992频率计 外观是什么样?

回复坛主,找了张图片。三十多年的东西了,现在是53131、53132的天下了。
5.jpg
2018-7-17 07:59:35 回复
喜欢就好 数字巨人H 2020-10-23 18:22:37
楼主高手!谢谢分享
2020-10-23 18:22:37 回复