LMS4820太阳能充放电控制仪应急拆修

发表于:2018-10-7 09:16:01 2760
仪器仪表 - 其它仪表
主题类别: 维修
仪表类型: 其它
仪表品牌: 其它品牌
型号或关键字: LMS4820太阳能充放电控制仪

登录后可查看大图

您需要 登录 才可以下载或查看,没有账号?立即注册

x
     LMS4820太阳能充放电控制仪上电无显示
7.JPG
参数标签
8.JPG
背面有散热片
10.JPG
取下散热片后盖
11.JPG
三只功率MOS实测没有击穿情况
13.JPG
取出电路板
16.JPG
明显可见炸裂芯片
21.JPG
明显可见炸裂芯片
22.JPG
跨过炸裂电源芯片,单独给2951ACM稳压器8V供电试试,可见有显示了,按键操作均有反应,有维修的价值!
23.JPG
幸好在前壳里找到了炸飞的芯片碎片,完整的芯片型号看到了!
24.JPG
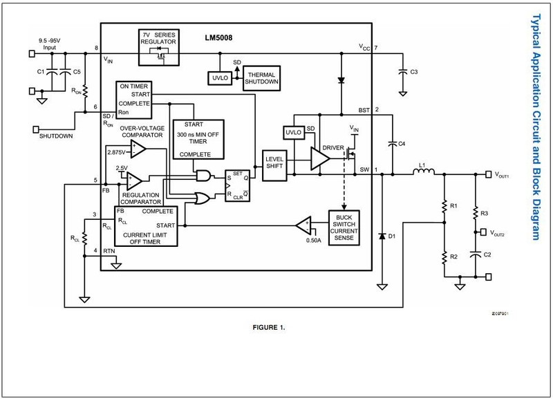
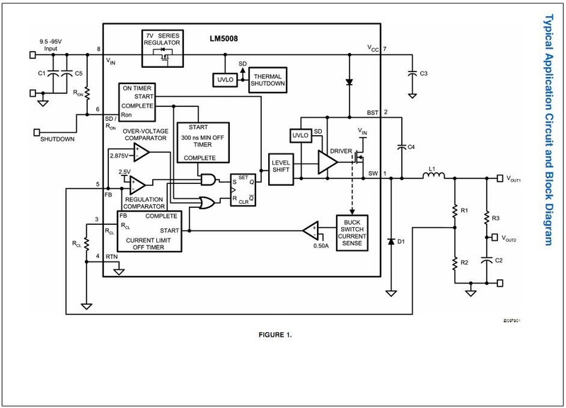
网查应该就是LM5008,但是没有配件
25.jpg
但发现大电容右侧有焊盘空位,细看应该是单管串联型线性稳压电路,应该可以取代LM5008芯片部分
26.JPG
查LM5008_datasheet可以算出当前的DC--DC输出电压为17.5V
27.jpg
先在背板焊装个TIP41C调整管
28.JPG
TIP41C调整管其基极选用18V的IN4746稳压管,稳压管之限流电阻选取20KΩ左右的,可把R53移到R60处。
29.JPG
加50V左右电压-----输出17.59V。几个按键操作均可使用,功能正常
30.JPG
剪下一块导热胶垫
31.JPG
放到TIP41C调整管上
32.JPG
合上散热片后盖,再次通电测试,可见正常。
33.JPG
可以投入使用了
34.JPG

收藏
送赞
分享

评分

参与人数 1 +5 金钱 +5 仪表币 +5 收起 理由
43545 + 5 + 5 + 5 赞一个!

查看全部评分总评分 :  +5 金钱 +5 仪表币 +5

发表回复

评论列表(5)

wgsd 数字大神J 2018-10-7 10:22:30
啊!廉价换肾的手艺。赞
2018-10-7 10:22:30 回复
刘大大 数字梦想家E 2018-10-7 13:49:51
这办法可以   
2018-10-7 13:49:51 回复
ynqjzzh 数字梦想家E 2018-10-7 14:03:38
本帖最后由 ynqjzzh 于 2018-10-7 15:48 编辑

请问这个输入和输出电压范围是多少?
2018-10-7 14:03:38 回复
sjtx1971 数字奇才B 2018-10-10 17:35:22
代换的不错,简单实用
2018-10-10 17:35:22 回复
喜欢就好 数字巨人H 2020-10-9 20:21:34
技术帖,学习了。
2020-10-9 20:21:34 回复